ВИЗАТОР
Новости японской автоиндустрии
Главная
Новости
FAQ
Аукционы
Руководства по ремонту
Nissan Wingroad Y12: полное руководство по ремонту и обслуживанию на русском языке
Вы здесь:
Главная
Руководства по ремонту
Nissan Wingroad Y12: полное руководство по ремонту и обслуживанию на русском языке
Двигатель
Система управления двигателем
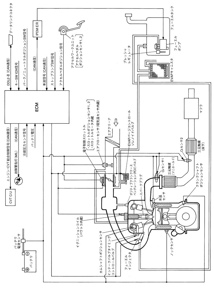
Схема системы Обзор системы управления двигателем
Схема системы Обзор системы управления двигателем
Схема системы
Предыдущий: Монтажное положение компонента Монтажное положение Обзор системы управления двигателем
Назад
Следующий: Схематический обзор системы управления двигателем
Вперед