ВИЗАТОР
Новости японской автоиндустрии
Главная
Новости
FAQ
Аукционы
Руководства по ремонту
Nissan Wingroad Y12: полное руководство по ремонту и обслуживанию на русском языке
Вы здесь:
Главная
Руководства по ремонту
Nissan Wingroad Y12: полное руководство по ремонту и обслуживанию на русском языке
Двигатель
Система управления двигателем
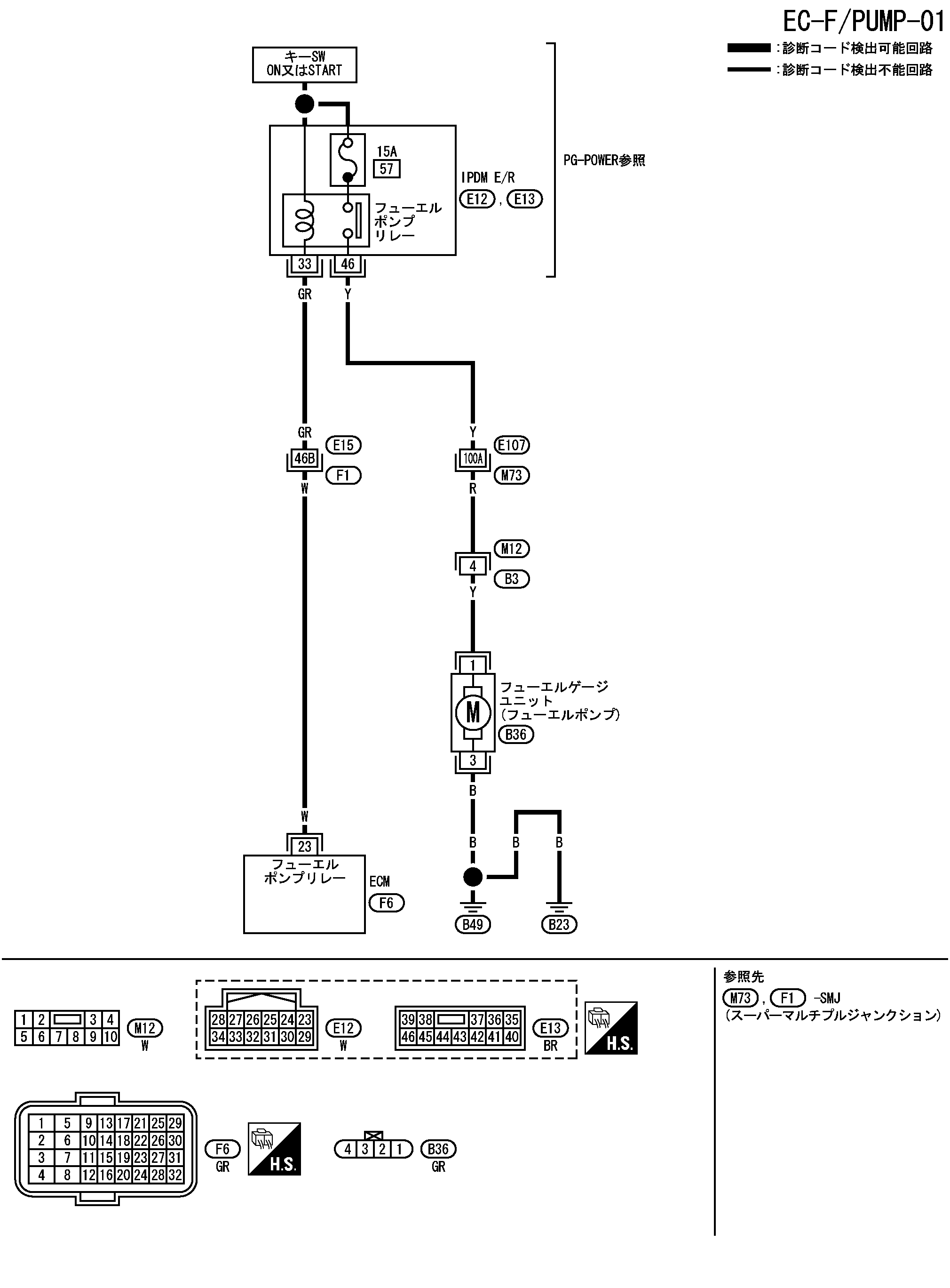
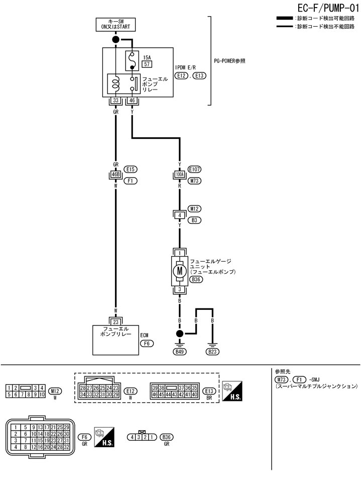
Схема подключения — ж/насос — топливный насос
Схема подключения — ж/насос — топливный насос
配線図 - F/PUMP -
📄
Открыть схему TBWB1308J.PDF
Предыдущий: опорное значение входного/выходного сигнала электронного блока управления топливным насосом
Назад
Следующий: Процедура диагностики неисправностей топливного насоса
Вперед