ВИЗАТОР
Новости японской автоиндустрии
Главная
Новости
FAQ
Аукционы
Руководства по ремонту
Nissan Wingroad Y12: полное руководство по ремонту и обслуживанию на русском языке
Вы здесь:
Главная
Руководства по ремонту
Nissan Wingroad Y12: полное руководство по ремонту и обслуживанию на русском языке
Двигатель
Система управления двигателем
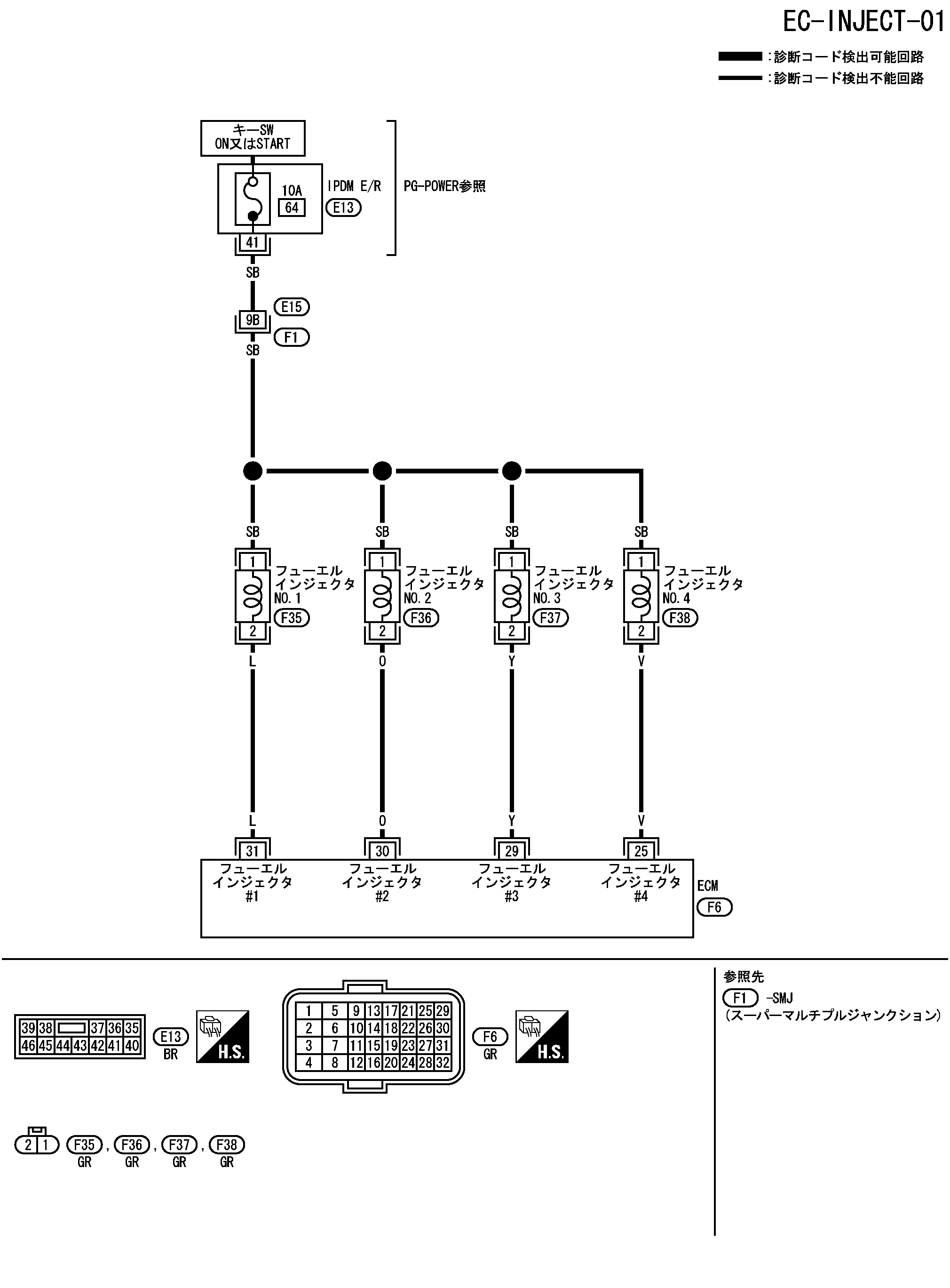
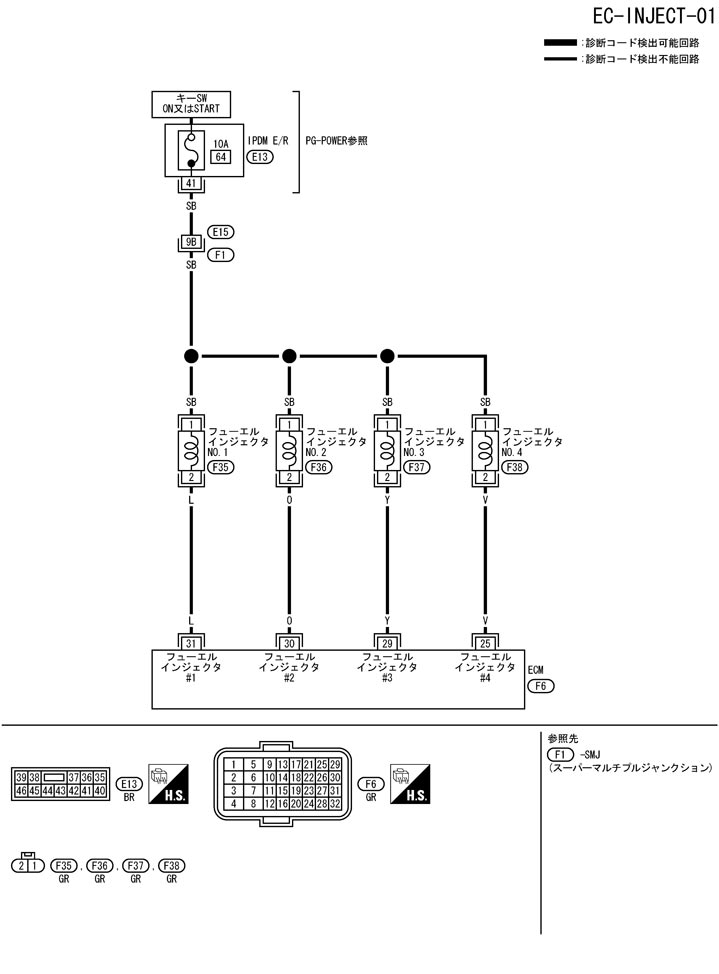
Схема подключения - впрыск - топливная форсунка
Схема подключения - впрыск - топливная форсунка
配線図 - INJECT -
📄
Открыть схему TBWB0982J.PDF
Предыдущий: Опорное значение входного/выходного сигнала блока управления двигателем топливной форсунки
Назад
Следующий: Процедура диагностики неисправностей топливной форсунки
Вперед