ВИЗАТОР
Новости японской автоиндустрии
Главная
Новости
FAQ
Аукционы
Руководства по ремонту
Nissan Wingroad Y12: полное руководство по ремонту и обслуживанию на русском языке
Вы здесь:
Главная
Руководства по ремонту
Nissan Wingroad Y12: полное руководство по ремонту и обслуживанию на русском языке
Двигатель
Система управления двигателем
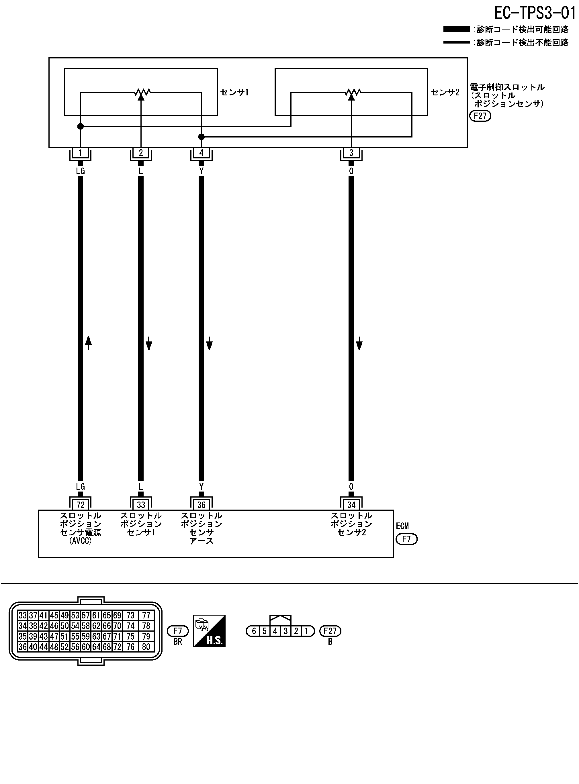
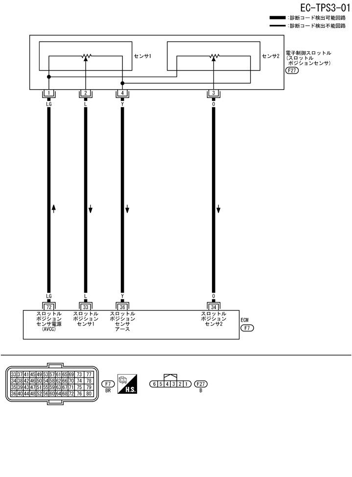
Схема подключения — tps3 — dtc p2135 датчик положения дроссельной заслонки
Схема подключения — tps3 — dtc p2135 датчик положения дроссельной заслонки
配線図 - TPS3 -
📄
Открыть схему TBWB1303J.PDF
Предыдущий: Порядок выполнения самодиагностики dtc p2135 датчик положения дроссельной заслонки
Назад
Следующий: Процедура диагностики неисправности dtc p2135 датчик положения дроссельной заслонки
Вперед