ВИЗАТОР
Новости японской автоиндустрии
Главная
Новости
FAQ
Аукционы
Руководства по ремонту
Nissan Wingroad Y12: полное руководство по ремонту и обслуживанию на русском языке
Вы здесь:
Главная
Руководства по ремонту
Nissan Wingroad Y12: полное руководство по ремонту и обслуживанию на русском языке
Двигатель
Система управления двигателем
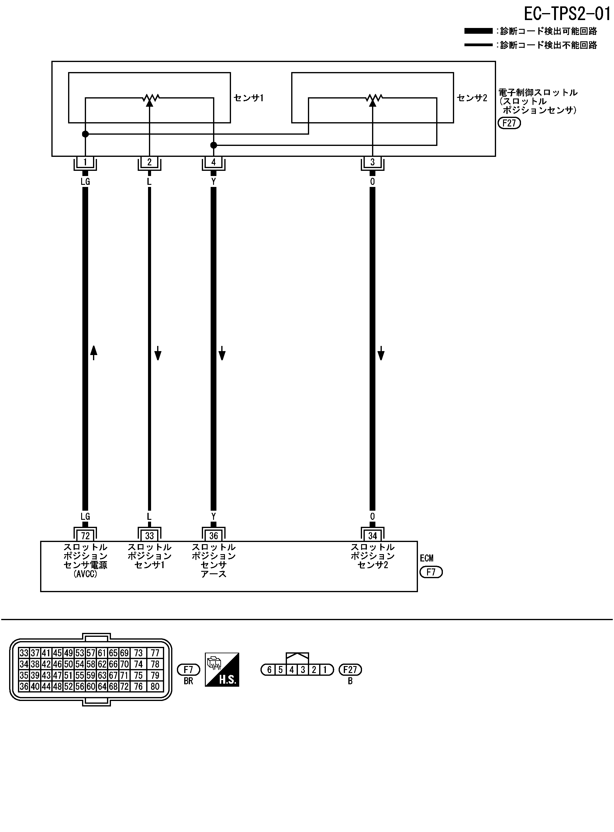
Схема подключения - tps2 - dtc p0122, p0123 датчик положения дроссельной заслонки
Схема подключения - tps2 - dtc p0122, p0123 датчик положения дроссельной заслонки
配線図 - TPS2 -
📄
Открыть схему TBWB1282J.PDF
Предыдущий: Процедура выполнения самодиагностики dtc p0122, p0123 Датчик положения дроссельной заслонки
Назад
Следующий: Процедура диагностики неисправности dtc p0122, p0123 датчик положения дроссельной заслонки
Вперед