ВИЗАТОР
Новости японской автоиндустрии
Главная
Новости
FAQ
Аукционы
Руководства по ремонту
Nissan Wingroad Y12: полное руководство по ремонту и обслуживанию на русском языке
Вы здесь:
Главная
Руководства по ремонту
Nissan Wingroad Y12: полное руководство по ремонту и обслуживанию на русском языке
Двигатель
Система управления двигателем
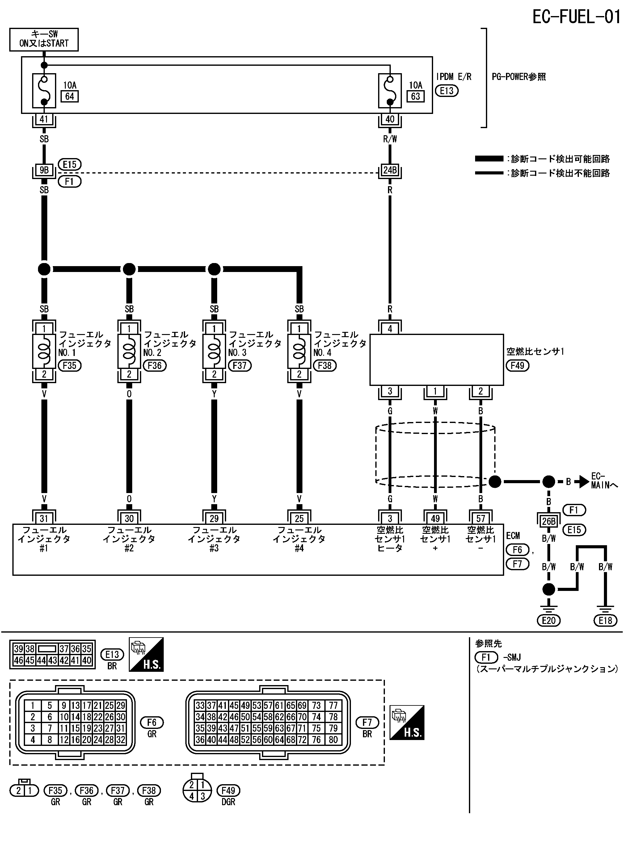
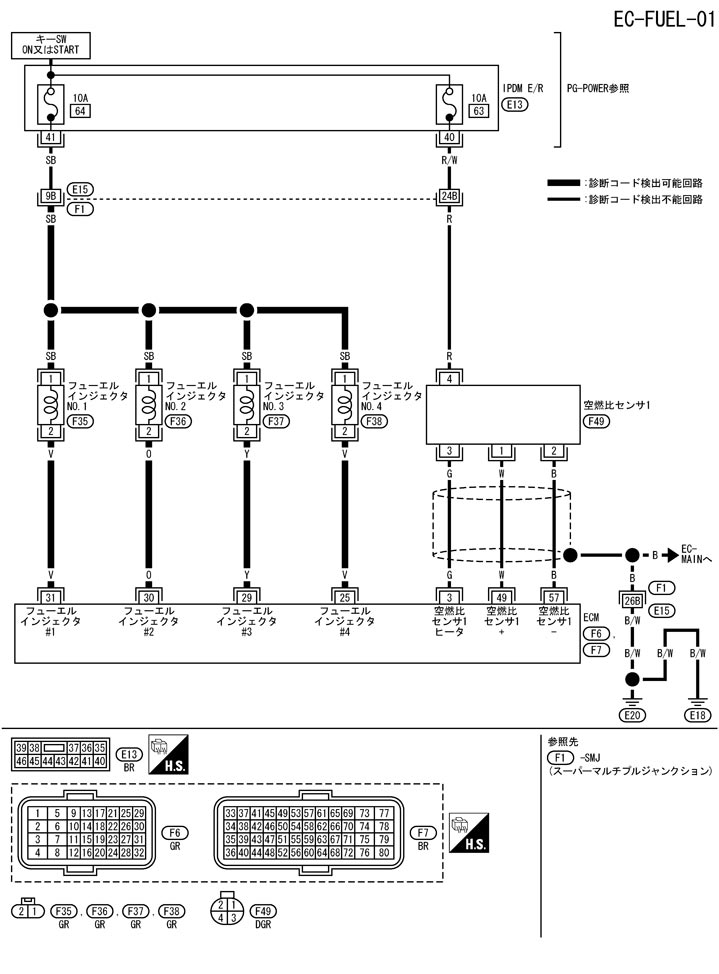
Схема подключения - топливо - dtc p0171 соотношение воздух-топливо
Схема подключения - топливо - dtc p0171 соотношение воздух-топливо
配線図 - FUEL -
📄
Открыть схему TBWB1498J.PDF
Предыдущий: Процедура проведения самодиагностики dtc p0171 соотношение воздух-топливо
Назад
Следующий: Процедура диагностики неисправности dtc p0171 соотношение воздух-топливо
Вперед