ВИЗАТОР
Новости японской автоиндустрии
Главная
Новости
FAQ
Аукционы
Руководства по ремонту
Nissan Wingroad Y12: полное руководство по ремонту и обслуживанию на русском языке
Вы здесь:
Главная
Руководства по ремонту
Nissan Wingroad Y12: полное руководство по ремонту и обслуживанию на русском языке
Двигатель
Система управления двигателем
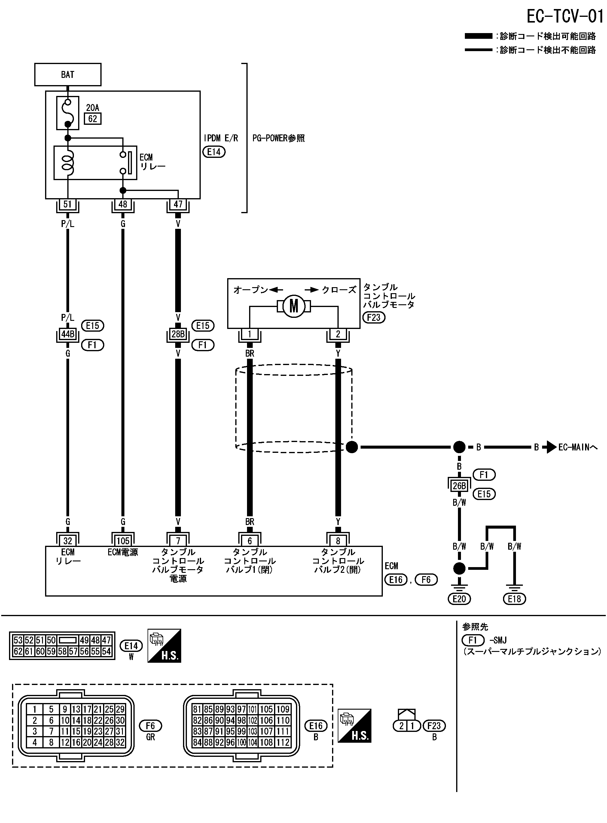
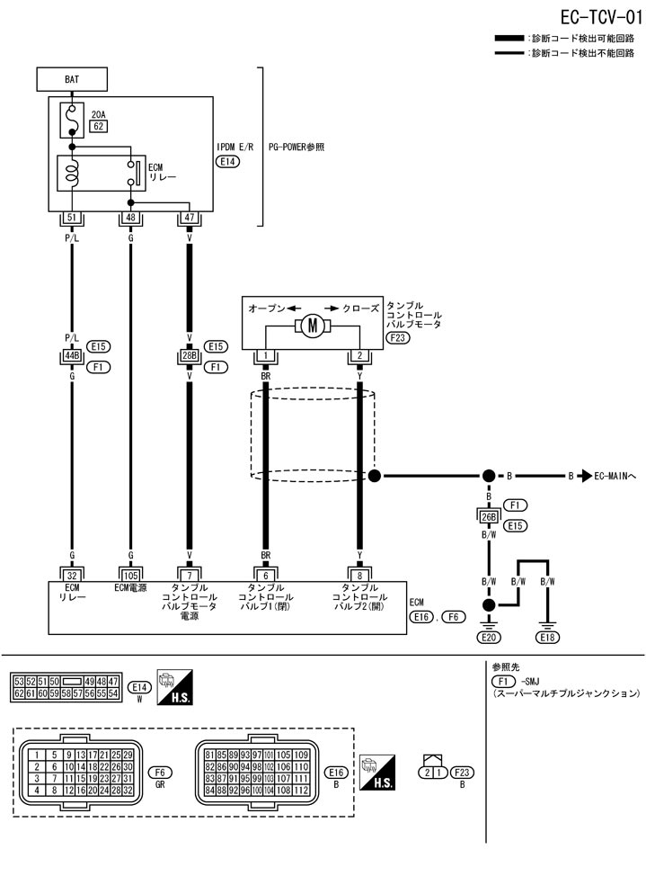
Схема подключения - tcv - клапан управления барабаном dtc p2008
Схема подключения - tcv - клапан управления барабаном dtc p2008
配線図 - TCV -
📄
Открыть схему TBWB1510J.PDF
Предыдущий: Процедура проведения самодиагностики dtc p2008 клапан управления переключением
Назад
Следующий: Процедура диагностики неисправности dtc p2008 клапан управления переключением передач
Вперед