ВИЗАТОР
Новости японской автоиндустрии
Главная
Новости
FAQ
Аукционы
Руководства по ремонту
Nissan Wingroad Y12: полное руководство по ремонту и обслуживанию на русском языке
Вы здесь:
Главная
Руководства по ремонту
Nissan Wingroad Y12: полное руководство по ремонту и обслуживанию на русском языке
Двигатель
Система управления двигателем
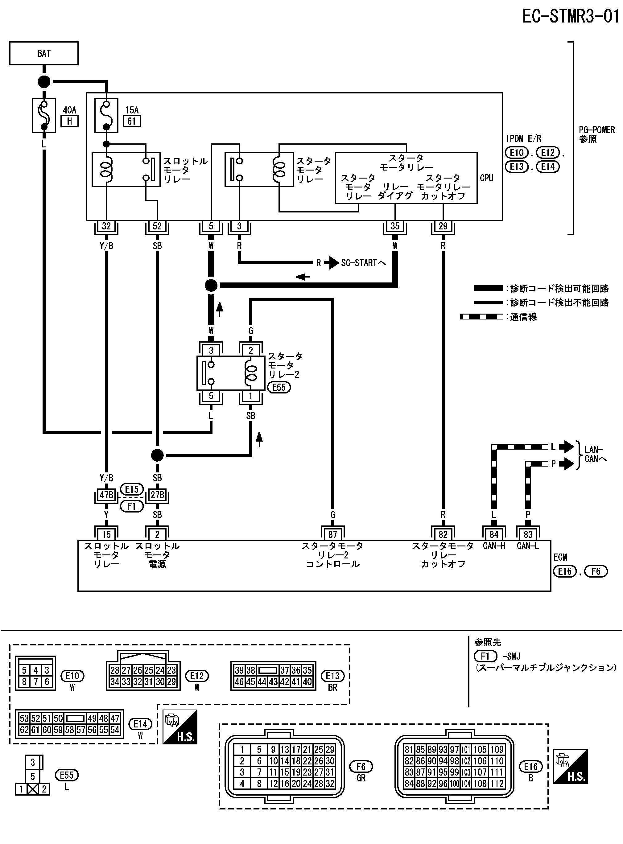
Схема подключения -stmr3-dtc p1652 система управления реле 2 стартера
Схема подключения -stmr3-dtc p1652 система управления реле 2 стартера
配線図 -STMR3-
📄
Открыть схему TBWB1516J.PDF
Предыдущий: Процедура выполнения самодиагностики dtc p1652 система управления реле 2 стартера
Назад
Следующий: Процедура диагностики неисправности dtc p1652 система управления реле 2 стартера
Вперед