ВИЗАТОР
Новости японской автоиндустрии
Главная
Новости
FAQ
Аукционы
Руководства по ремонту
Nissan Wingroad Y12: полное руководство по ремонту и обслуживанию на русском языке
Вы здесь:
Главная
Руководства по ремонту
Nissan Wingroad Y12: полное руководство по ремонту и обслуживанию на русском языке
Двигатель
Система управления двигателем
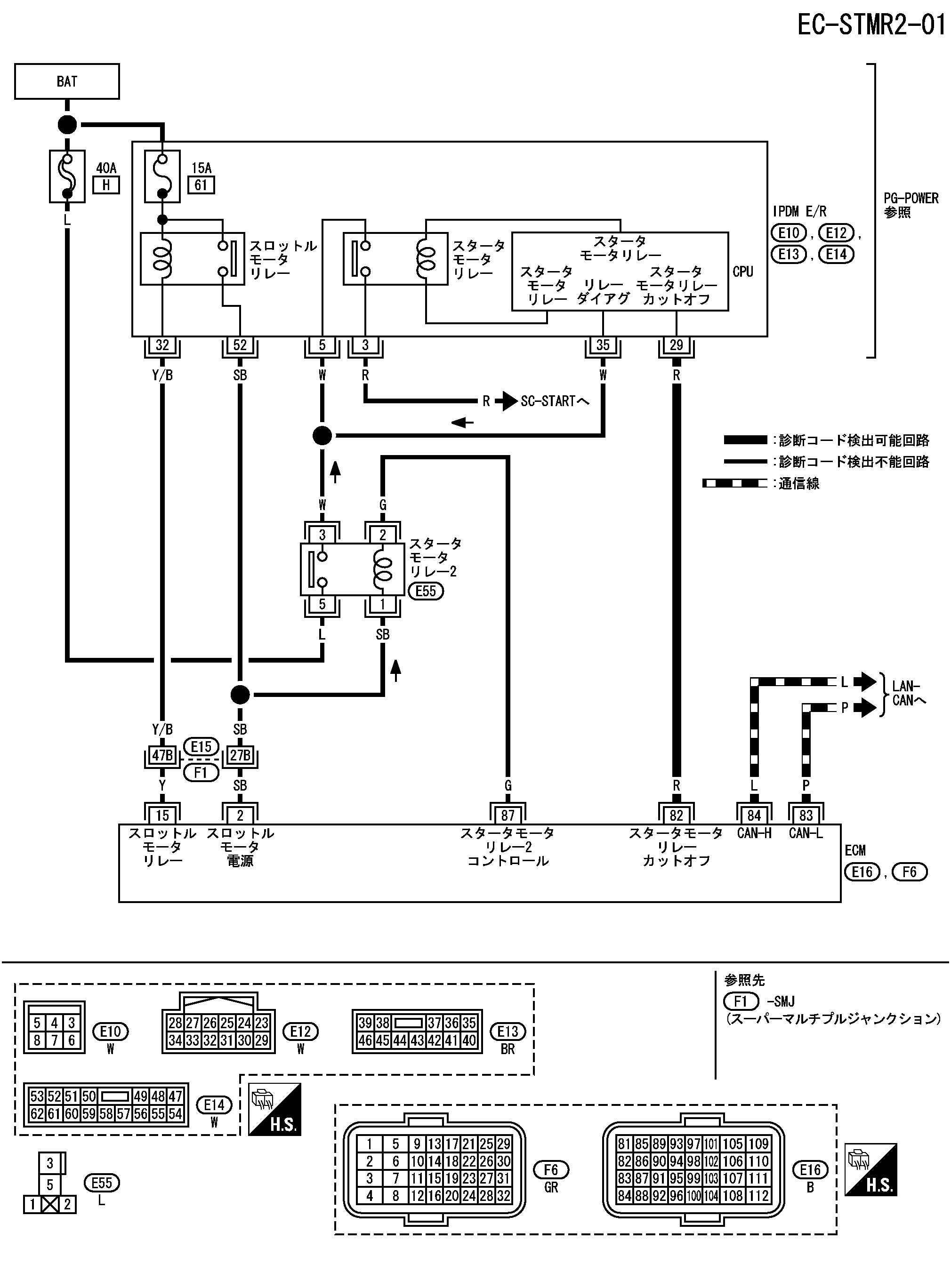
Схема подключения -stmr2-dtc p1651, отключение реле стартера
Схема подключения -stmr2-dtc p1651, отключение реле стартера
配線図 -STMR2-
📄
Открыть схему TBWB1515J.PDF
Предыдущий: Процедура выполнения самодиагностики dtc p1651 Отключение реле стартера
Назад
Следующий: Процедура диагностики неисправности dtc p1651, обрыв реле стартера
Вперед