ВИЗАТОР
Новости японской автоиндустрии
Главная
Новости
FAQ
Аукционы
Руководства по ремонту
Nissan Wingroad Y12: полное руководство по ремонту и обслуживанию на русском языке
Вы здесь:
Главная
Руководства по ремонту
Nissan Wingroad Y12: полное руководство по ремонту и обслуживанию на русском языке
Двигатель
Система управления двигателем
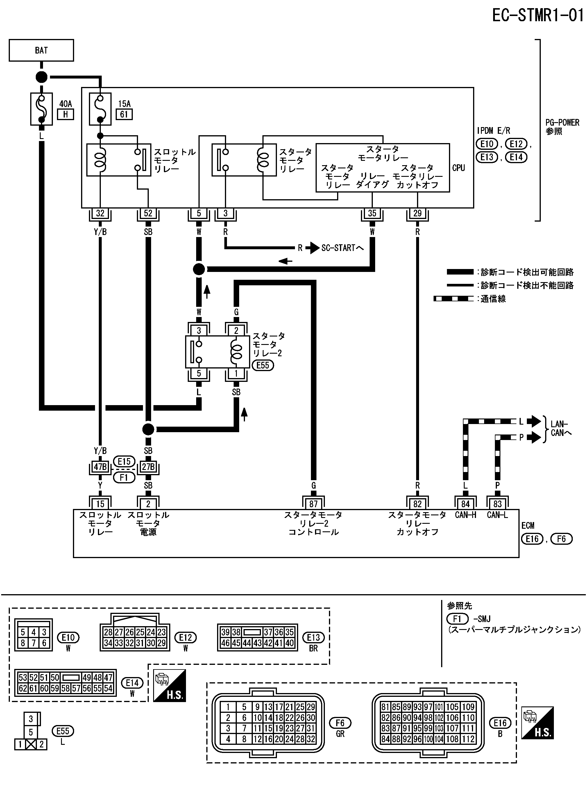
Схема подключения — stmr1 — реле 2 стартера dtc p1650
Схема подключения — stmr1 — реле 2 стартера dtc p1650
配線図 - STMR1 -
📄
Открыть схему TBWB1514J.PDF
Предыдущий: Порядок выполнения самодиагностики dtc p1650 реле стартера 2
Назад
Следующий: Процедура диагностики неисправности dtc p1650, реле 2 стартера
Вперед