ВИЗАТОР
Новости японской автоиндустрии
Главная
Новости
FAQ
Аукционы
Руководства по ремонту
Nissan Wingroad Y12: полное руководство по ремонту и обслуживанию на русском языке
Вы здесь:
Главная
Руководства по ремонту
Nissan Wingroad Y12: полное руководство по ремонту и обслуживанию на русском языке
Двигатель
Система управления двигателем
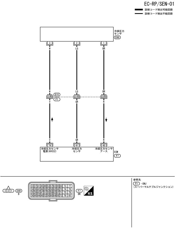
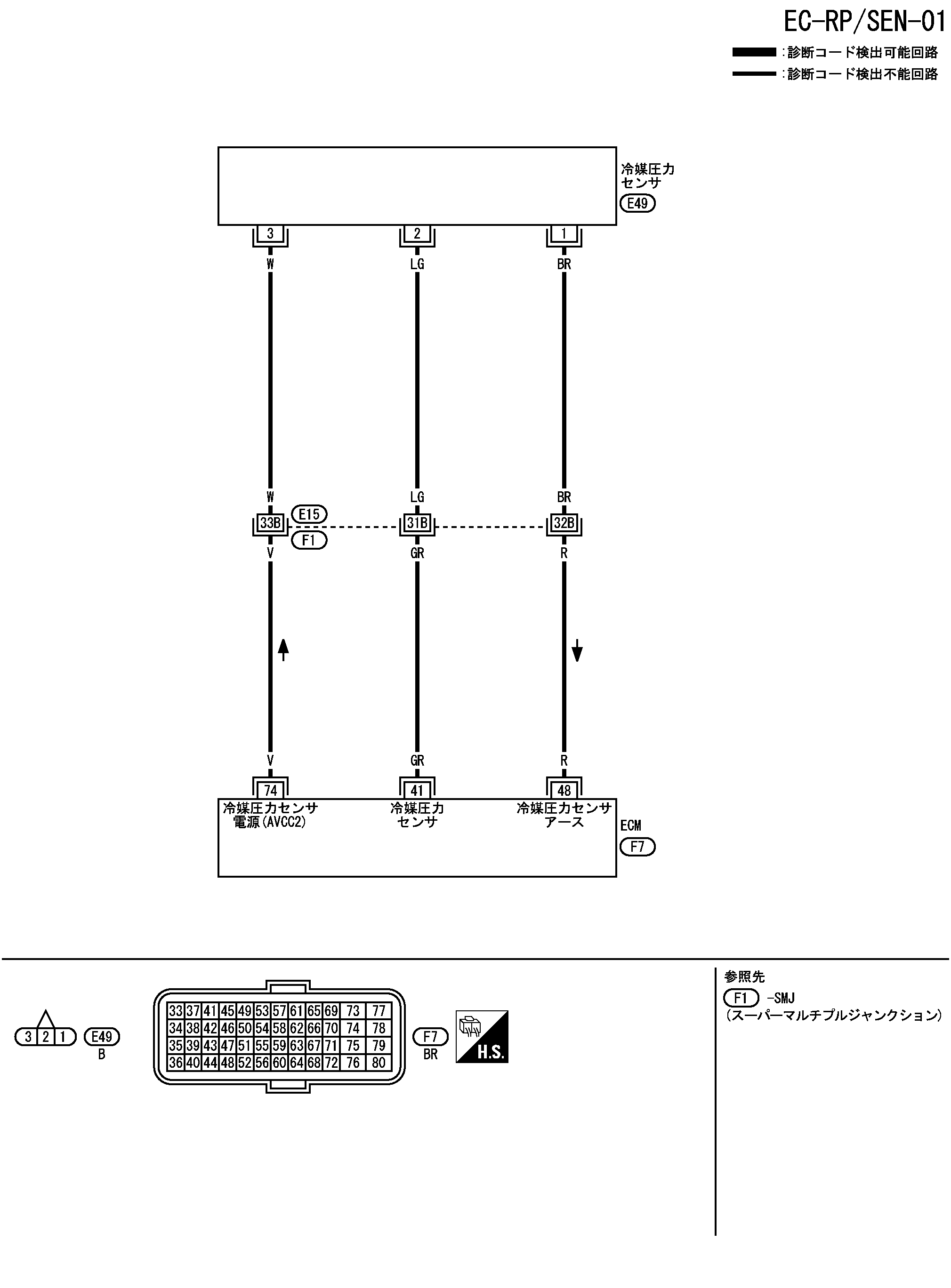
Схема подключения — rp/sen — датчик давления хладагента
Схема подключения — rp/sen — датчик давления хладагента
配線図 - RP/SEN -
📄
Открыть схему TBWB1309J.PDF
Предыдущий: Опорное значение входного/выходного сигнала электронного блока управления двигателем Датчик давления хладагента
Назад
Следующий: Процедура диагностики неисправностей Датчик давления хладагента
Вперед