ВИЗАТОР
Новости японской автоиндустрии
Главная
Новости
FAQ
Аукционы
Руководства по ремонту
Nissan Wingroad Y12: полное руководство по ремонту и обслуживанию на русском языке
Вы здесь:
Главная
Руководства по ремонту
Nissan Wingroad Y12: полное руководство по ремонту и обслуживанию на русском языке
Двигатель
Система управления двигателем
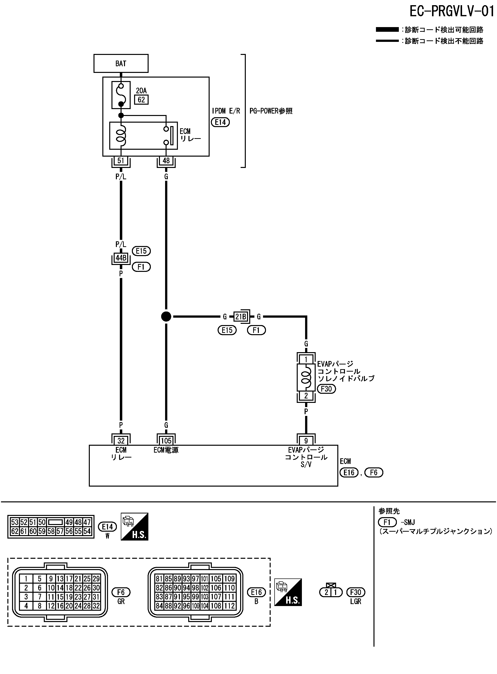
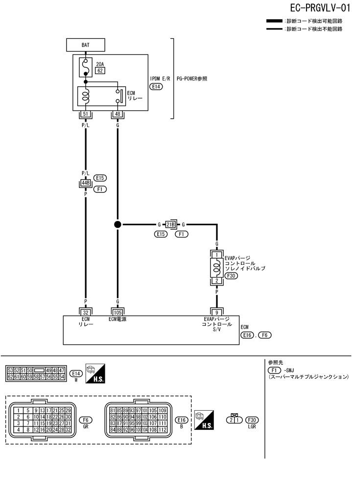
Схема подключения — prgvlv — электромагнитный клапан управления продувкой испарителя
Схема подключения — prgvlv — электромагнитный клапан управления продувкой испарителя
配線図 - PRGVLV -
📄
Открыть схему TBWB1328J.PDF
Предыдущий: Опорное значение входного/выходного сигнала ECM, электромагнитный клапан управления продувкой испарителя
Назад
Следующий: Процедура диагностики неисправностей электромагнитного клапана управления продувкой испарителя
Вперед