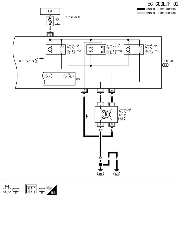
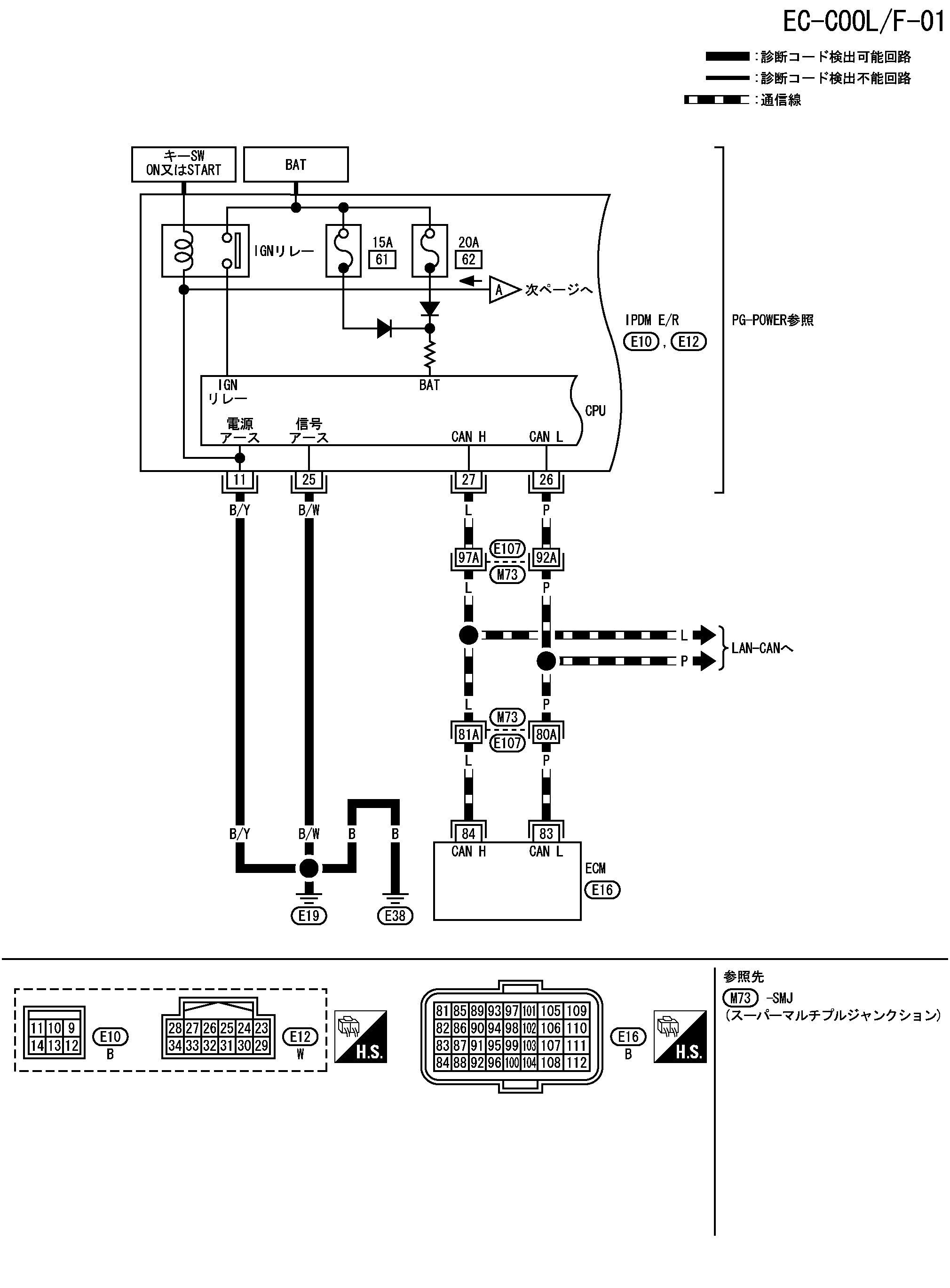
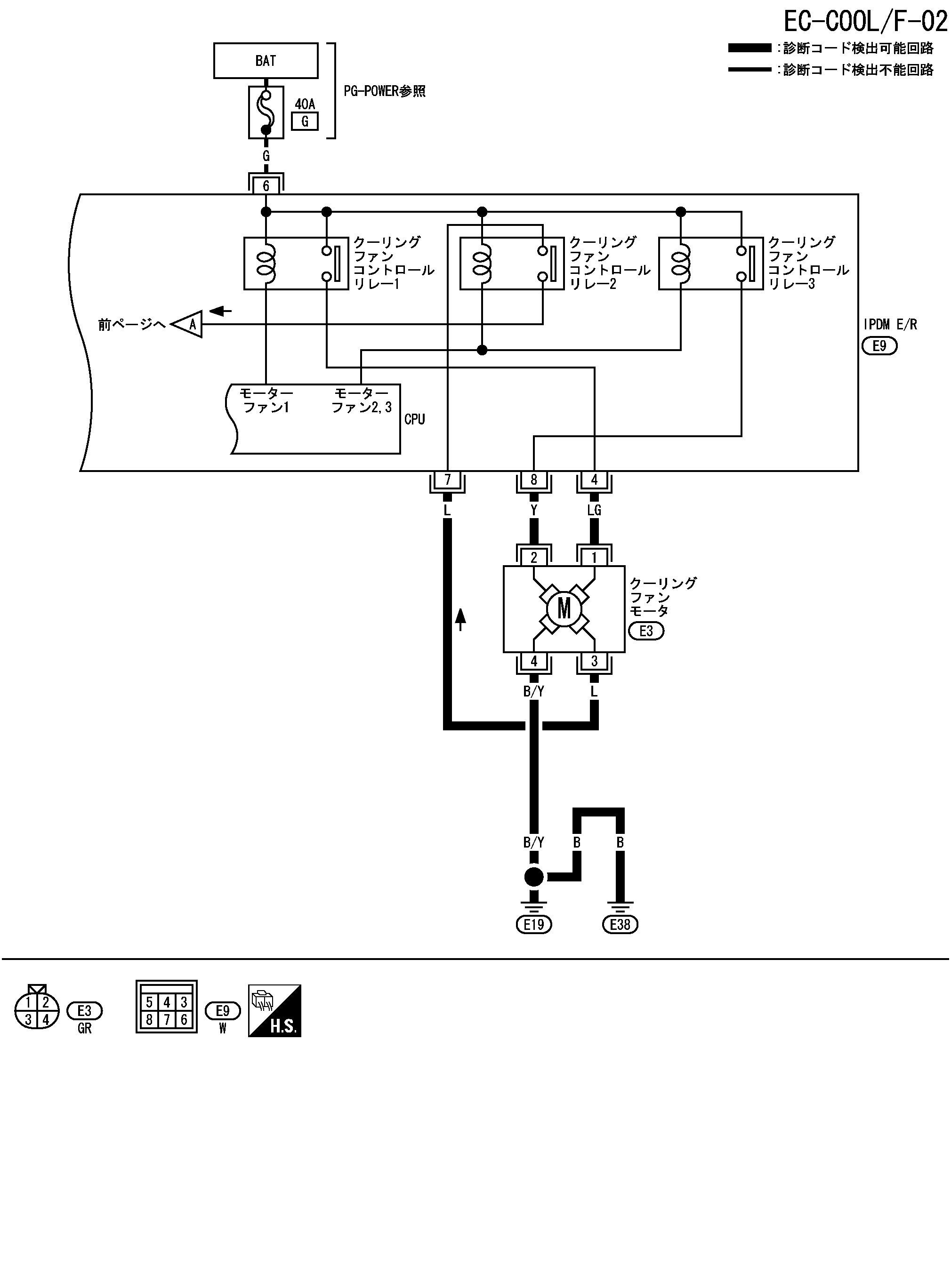
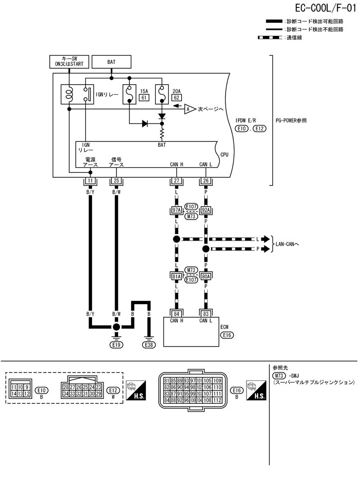
配線図 - COOL/F -