ВИЗАТОР
Новости японской автоиндустрии
Главная
Новости
FAQ
Аукционы
Руководства по ремонту
Nissan Wingroad Y12: полное руководство по ремонту и обслуживанию на русском языке
Вы здесь:
Главная
Руководства по ремонту
Nissan Wingroad Y12: полное руководство по ремонту и обслуживанию на русском языке
Двигатель
Система управления двигателем
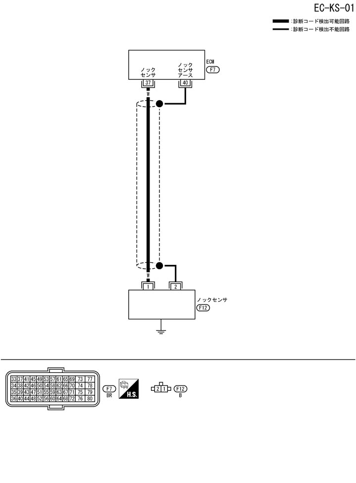
Схема подключения - ks - dtc p0327, p0328 датчик детонации
Схема подключения - ks - dtc p0327, p0328 датчик детонации
配線図 - KS -
📄
Открыть схему TBWB0938J.PDF
Предыдущий: Процедура выполнения самодиагностики dtc p0327, p0328 датчик детонации
Назад
Следующий: Процедура диагностики неисправности dtc p0327, p0328 датчик детонации
Вперед