ВИЗАТОР
Новости японской автоиндустрии
Главная
Новости
FAQ
Аукционы
Руководства по ремонту
Nissan Wingroad Y12: полное руководство по ремонту и обслуживанию на русском языке
Вы здесь:
Главная
Руководства по ремонту
Nissan Wingroad Y12: полное руководство по ремонту и обслуживанию на русском языке
Двигатель
Система управления двигателем
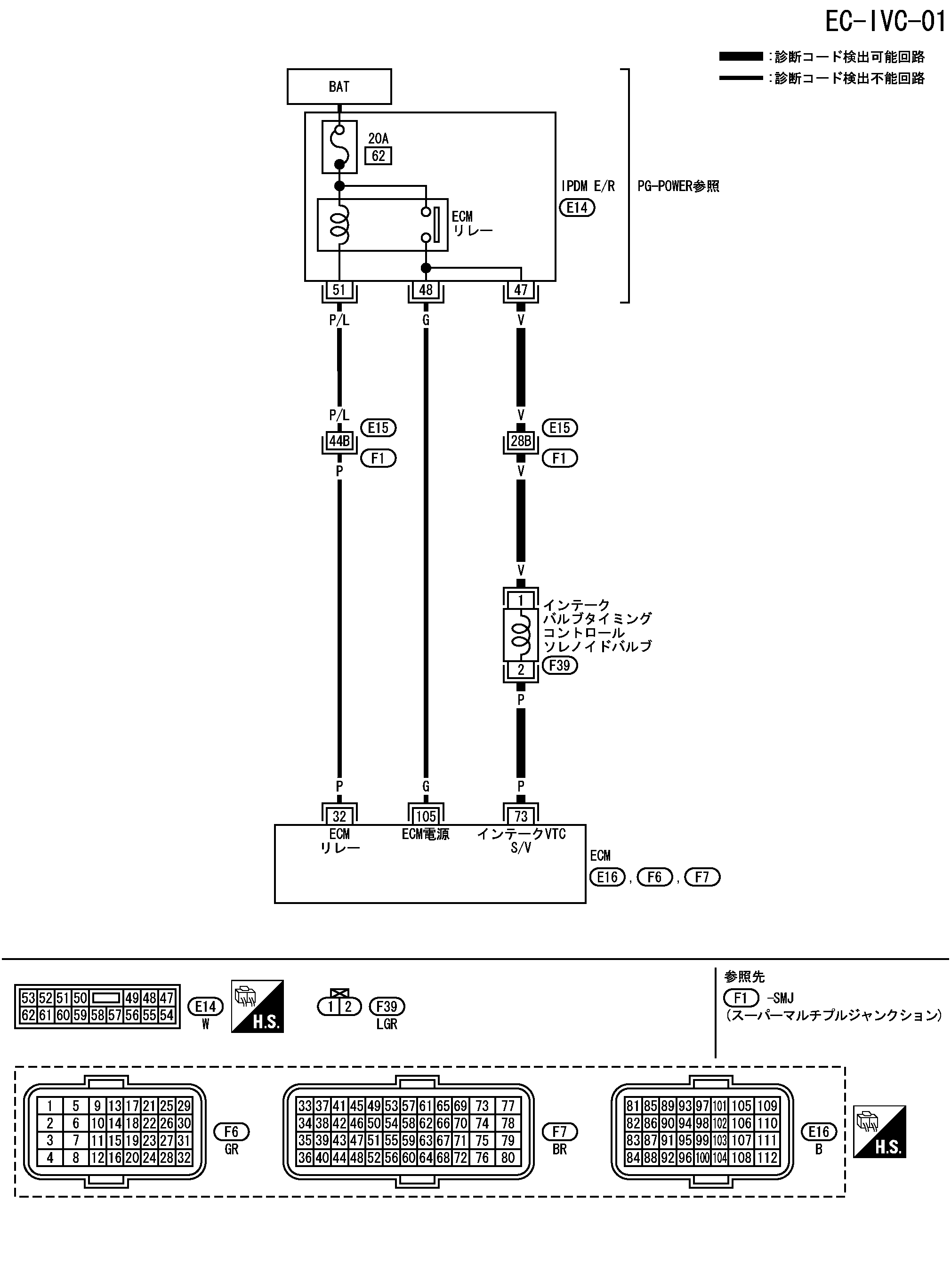
Схема подключения - ivc - dtc p1111 Электромагнитный клапан регулировки фаз газораспределения впускных клапанов
Схема подключения - ivc - dtc p1111 Электромагнитный клапан регулировки фаз газораспределения впускных клапанов
配線図 - IVC -
📄
Открыть схему TBWB1322J.PDF
Предыдущий: Процедура выполнения самодиагностики dtc p1111 Электромагнитный клапан регулировки фаз газораспределения впускных клапанов
Назад
Следующий: Процедура диагностики неисправностей dtc p1111 Электромагнитный клапан регулировки фаз газораспределения впускных клапанов
Вперед