ВИЗАТОР
Новости японской автоиндустрии
Главная
Новости
FAQ
Аукционы
Руководства по ремонту
Nissan Wingroad Y12: полное руководство по ремонту и обслуживанию на русском языке
Вы здесь:
Главная
Руководства по ремонту
Nissan Wingroad Y12: полное руководство по ремонту и обслуживанию на русском языке
Двигатель
Система управления двигателем
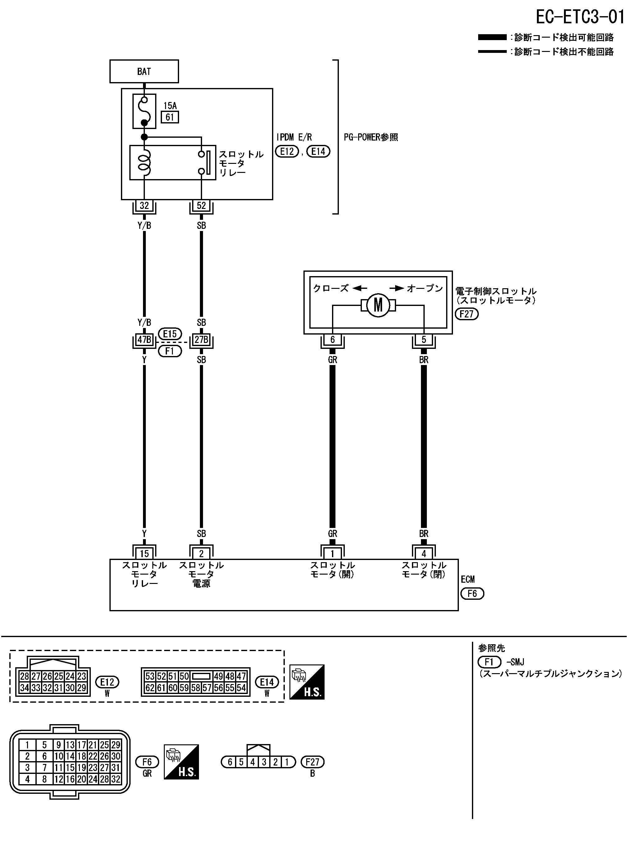
Схема подключения — и т. д. 3 — dtc p2118 электродвигатель дроссельной заслонки
Схема подключения — и т. д. 3 — dtc p2118 электродвигатель дроссельной заслонки
配線図 - ETC3 -
📄
Открыть схему TBWB1506J.PDF
Предыдущий: Порядок выполнения самодиагностики dtc p2118 электродвигателя дроссельной заслонки
Назад
Следующий: Процедура диагностики неисправности dtc p2118 электродвигателя дроссельной заслонки
Вперед