ВИЗАТОР
Новости японской автоиндустрии
Главная
Новости
FAQ
Аукционы
Руководства по ремонту
Nissan Wingroad Y12: полное руководство по ремонту и обслуживанию на русском языке
Вы здесь:
Главная
Руководства по ремонту
Nissan Wingroad Y12: полное руководство по ремонту и обслуживанию на русском языке
Двигатель
Система управления двигателем
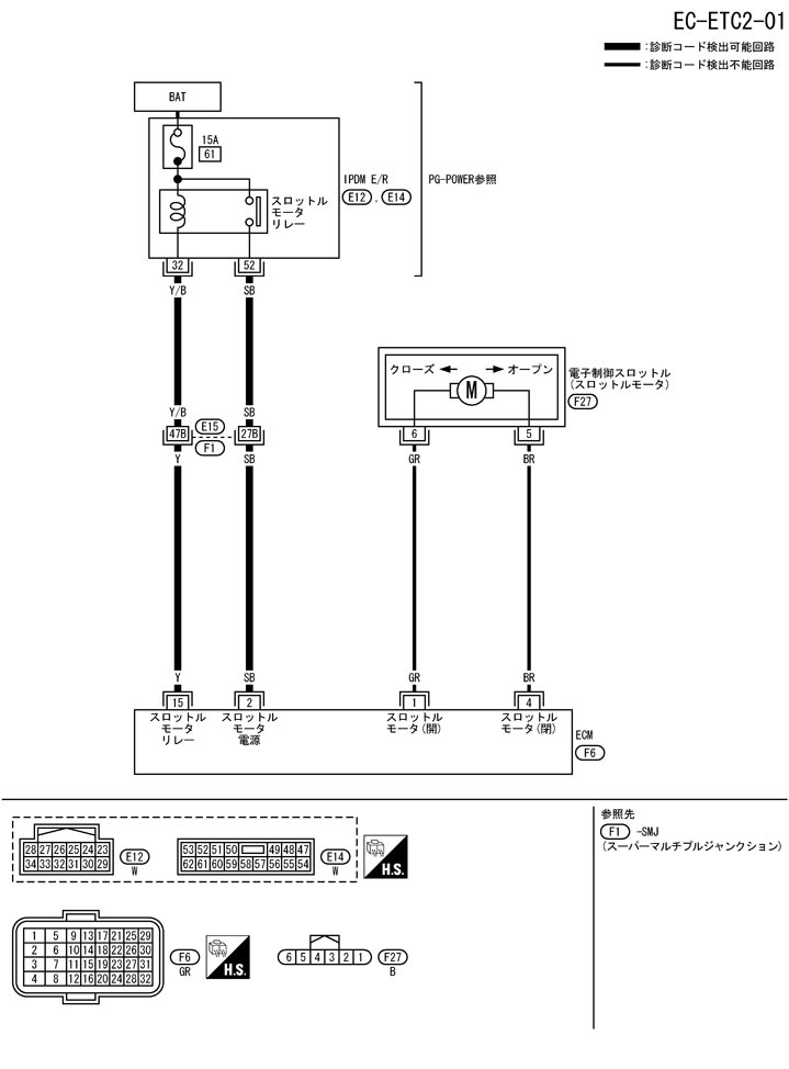
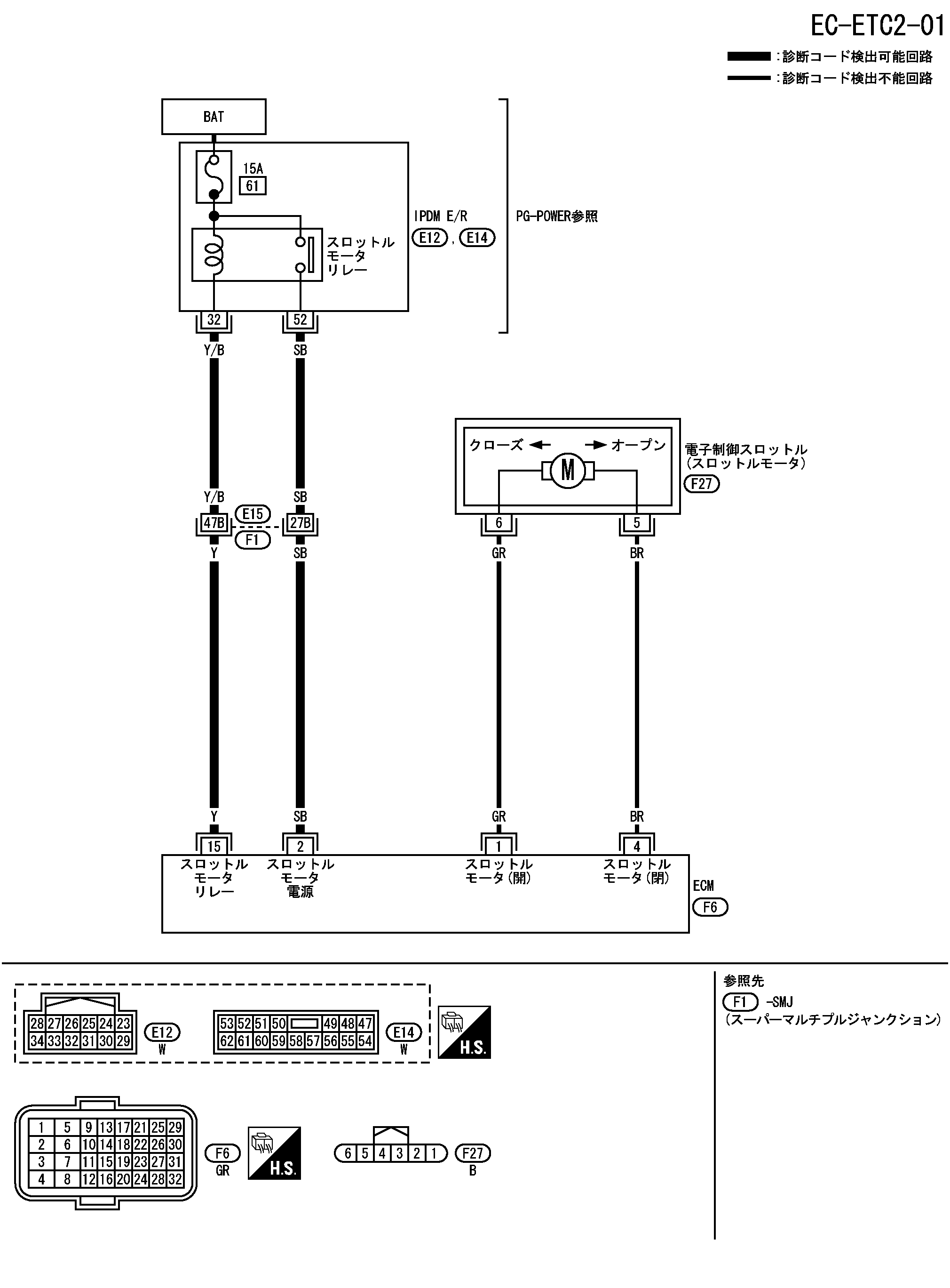
Схема подключения - и т.д.2 - dtc p2100, p2103 реле электродвигателя дроссельной заслонки
Схема подключения - и т.д.2 - dtc p2100, p2103 реле электродвигателя дроссельной заслонки
配線図 - ETC2 -
📄
Открыть схему TBWB1505J.PDF
Предыдущий: Процедура выполнения самодиагностики dtc p2100, p2103 реле электродвигателя дроссельной заслонки
Назад
Следующий: Процедура диагностики неисправности dtc p2100, p2103 реле электродвигателя дроссельной заслонки
Вперед