ВИЗАТОР
Новости японской автоиндустрии
Главная
Новости
FAQ
Аукционы
Руководства по ремонту
Nissan Wingroad Y12: полное руководство по ремонту и обслуживанию на русском языке
Вы здесь:
Главная
Руководства по ремонту
Nissan Wingroad Y12: полное руководство по ремонту и обслуживанию на русском языке
Двигатель
Система управления двигателем
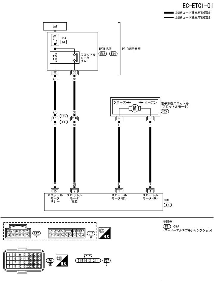
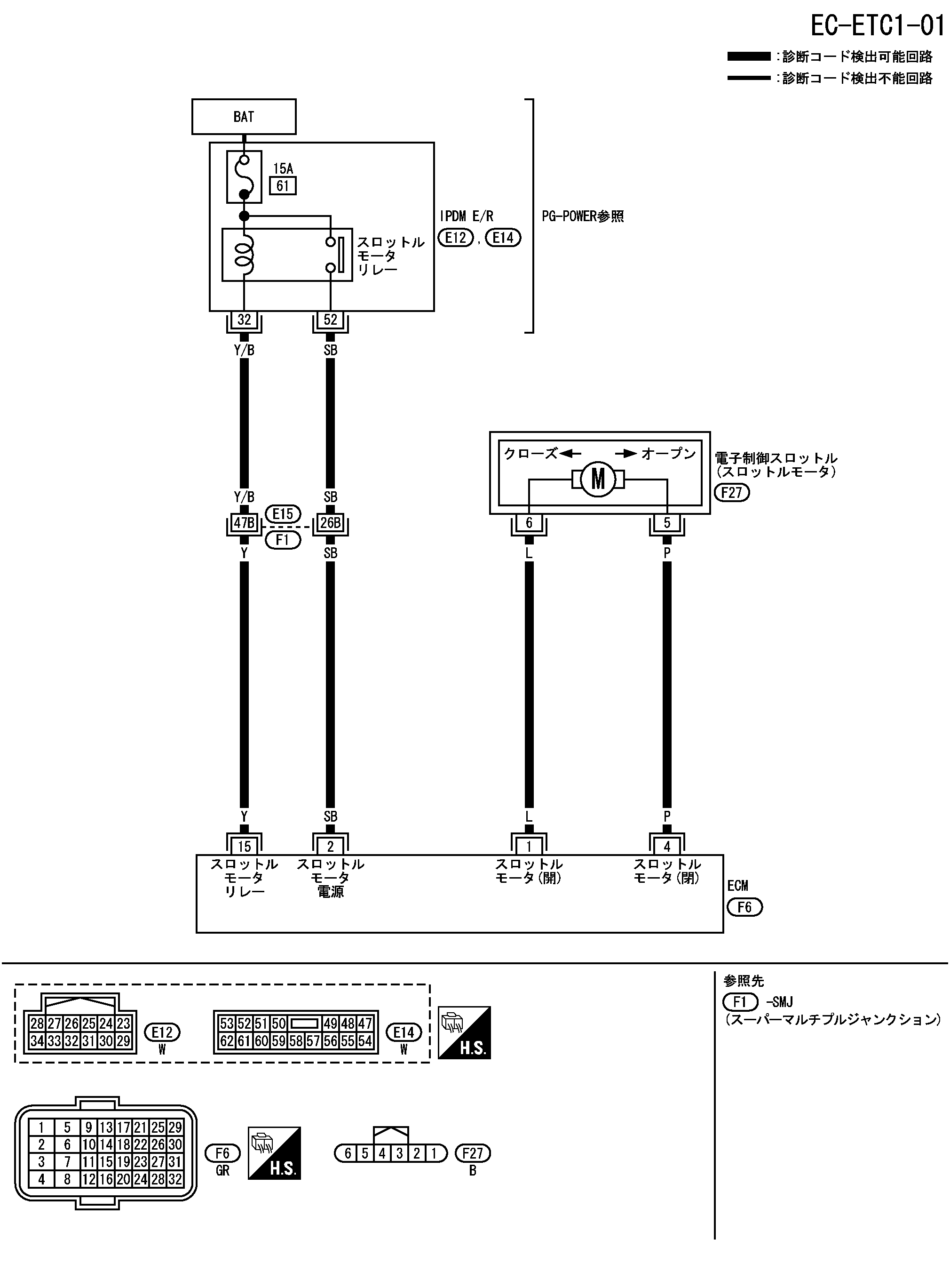
Схема подключения — и т. д. 1 — dtc p1122 электронного управления дроссельной заслонкой
Схема подключения — и т. д. 1 — dtc p1122 электронного управления дроссельной заслонкой
配線図 - ETC1 -
📄
Открыть схему TBWB1487J.PDF
Предыдущий: Порядок проведения самодиагностики dtc p1122 электронного управления дроссельной заслонкой
Назад
Следующий: Процедура диагностики неисправности dtc p1122 электронного управления дроссельной заслонкой
Вперед