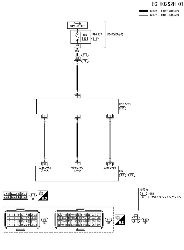
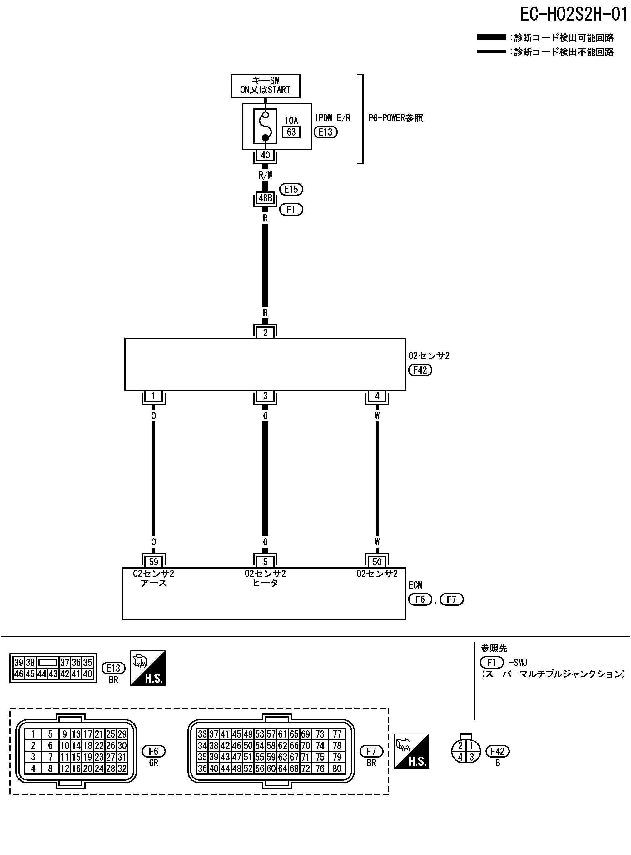
配線図 -HO2S2H-