ВИЗАТОР
Новости японской автоиндустрии
Главная
Новости
FAQ
Аукционы
Руководства по ремонту
Nissan Wingroad Y12: полное руководство по ремонту и обслуживанию на русском языке
Вы здесь:
Главная
Руководства по ремонту
Nissan Wingroad Y12: полное руководство по ремонту и обслуживанию на русском языке
Двигатель
Система управления двигателем
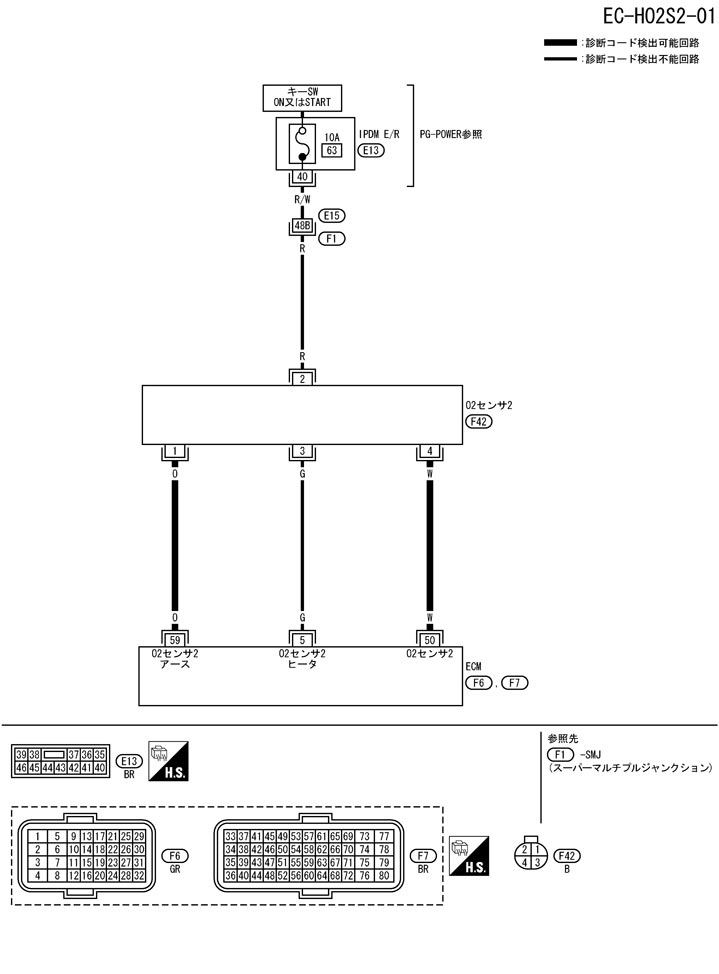
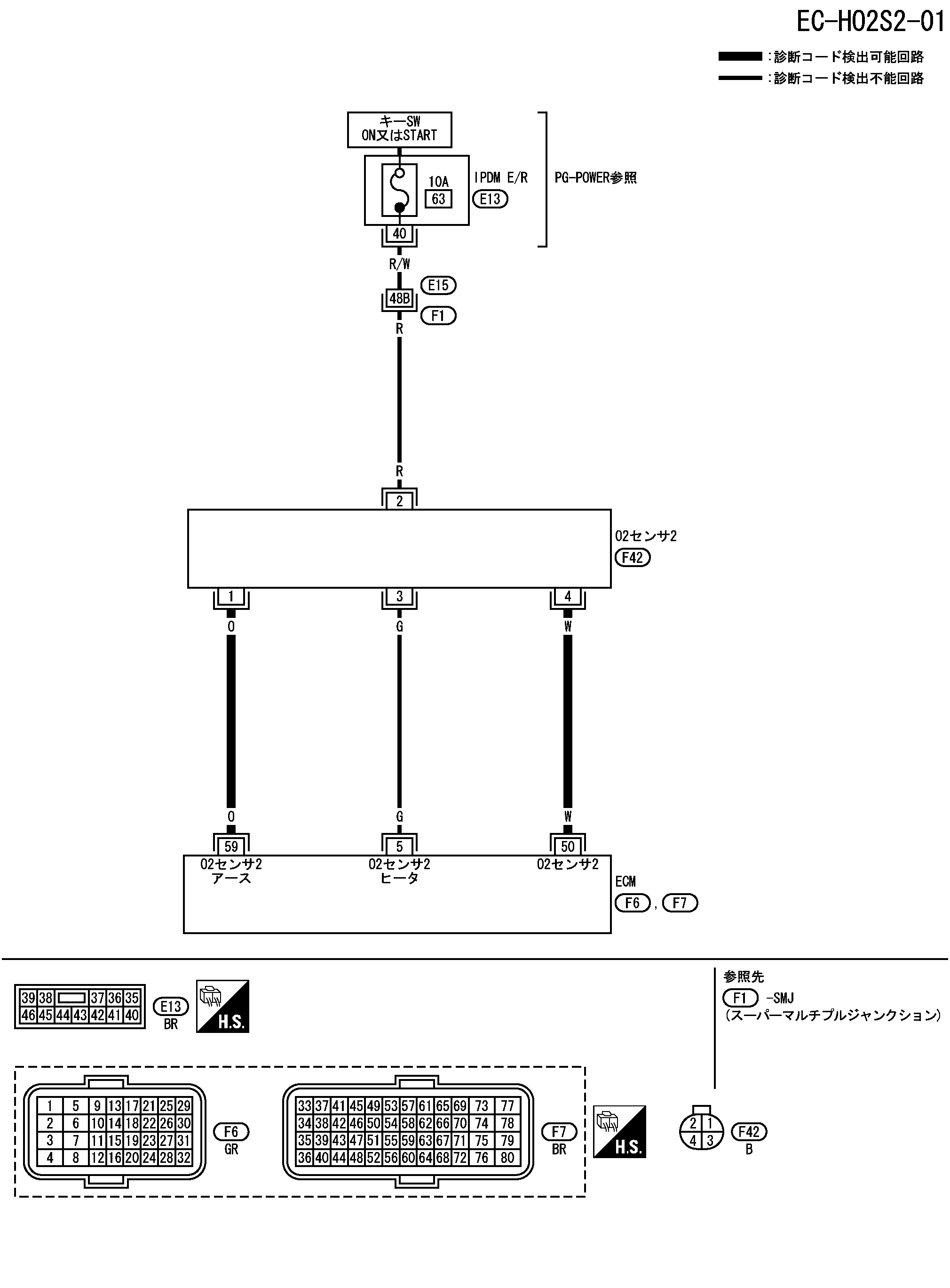
Схема подключения -ho2s2-dtc p1147 датчик o2 2
Схема подключения -ho2s2-dtc p1147 датчик o2 2
配線図 -HO2S2-
📄
Открыть схему TBWB1249J.PDF
Предыдущий: Порядок выполнения самодиагностики dtc p1147 датчик o2 2
Назад
Следующий: Процедура диагностики неисправности dtc p1147 датчик o2 2
Вперед