ВИЗАТОР
Новости японской автоиндустрии
Главная
Новости
FAQ
Аукционы
Руководства по ремонту
Nissan Wingroad Y12: полное руководство по ремонту и обслуживанию на русском языке
Вы здесь:
Главная
Руководства по ремонту
Nissan Wingroad Y12: полное руководство по ремонту и обслуживанию на русском языке
Двигатель
Система управления двигателем
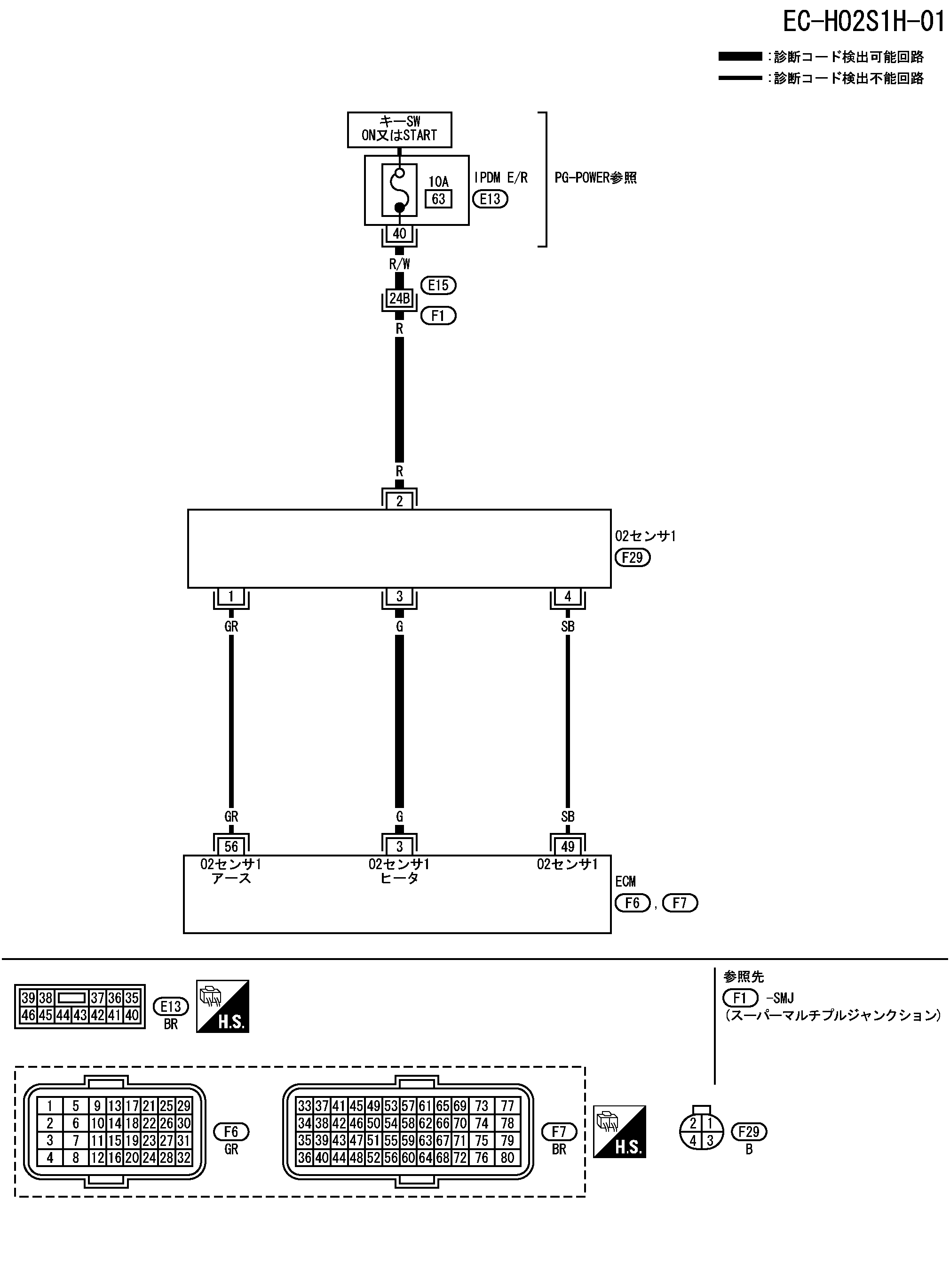
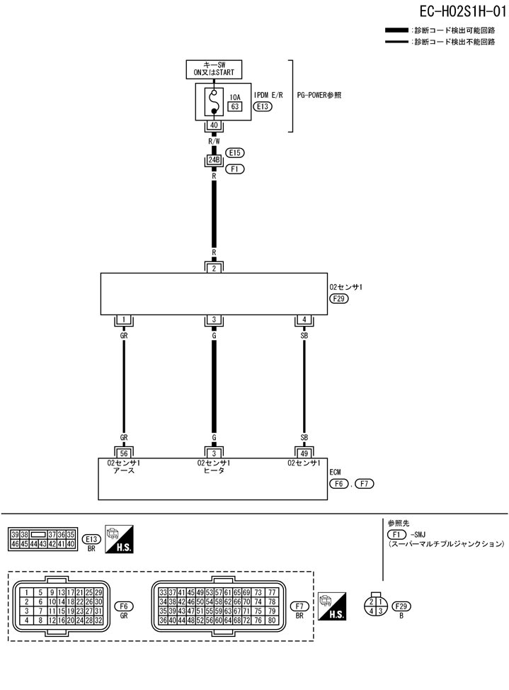
Схема подключения -ho2s1h-dtc p0135 датчик o2 1 нагревателя
Схема подключения -ho2s1h-dtc p0135 датчик o2 1 нагревателя
配線図 -HO2S1H-
📄
Открыть схему TBWB1316J.PDF
Предыдущий: Процедура выполнения самодиагностики dtc p0135 Датчик O2 1 нагревателя
Назад
Следующий: Процедура диагностики неисправности dtc p0135 датчик o2 1 нагревателя
Вперед