ВИЗАТОР
Новости японской автоиндустрии
Главная
Новости
FAQ
Аукционы
Руководства по ремонту
Nissan Wingroad Y12: полное руководство по ремонту и обслуживанию на русском языке
Вы здесь:
Главная
Руководства по ремонту
Nissan Wingroad Y12: полное руководство по ремонту и обслуживанию на русском языке
Двигатель
Система управления двигателем
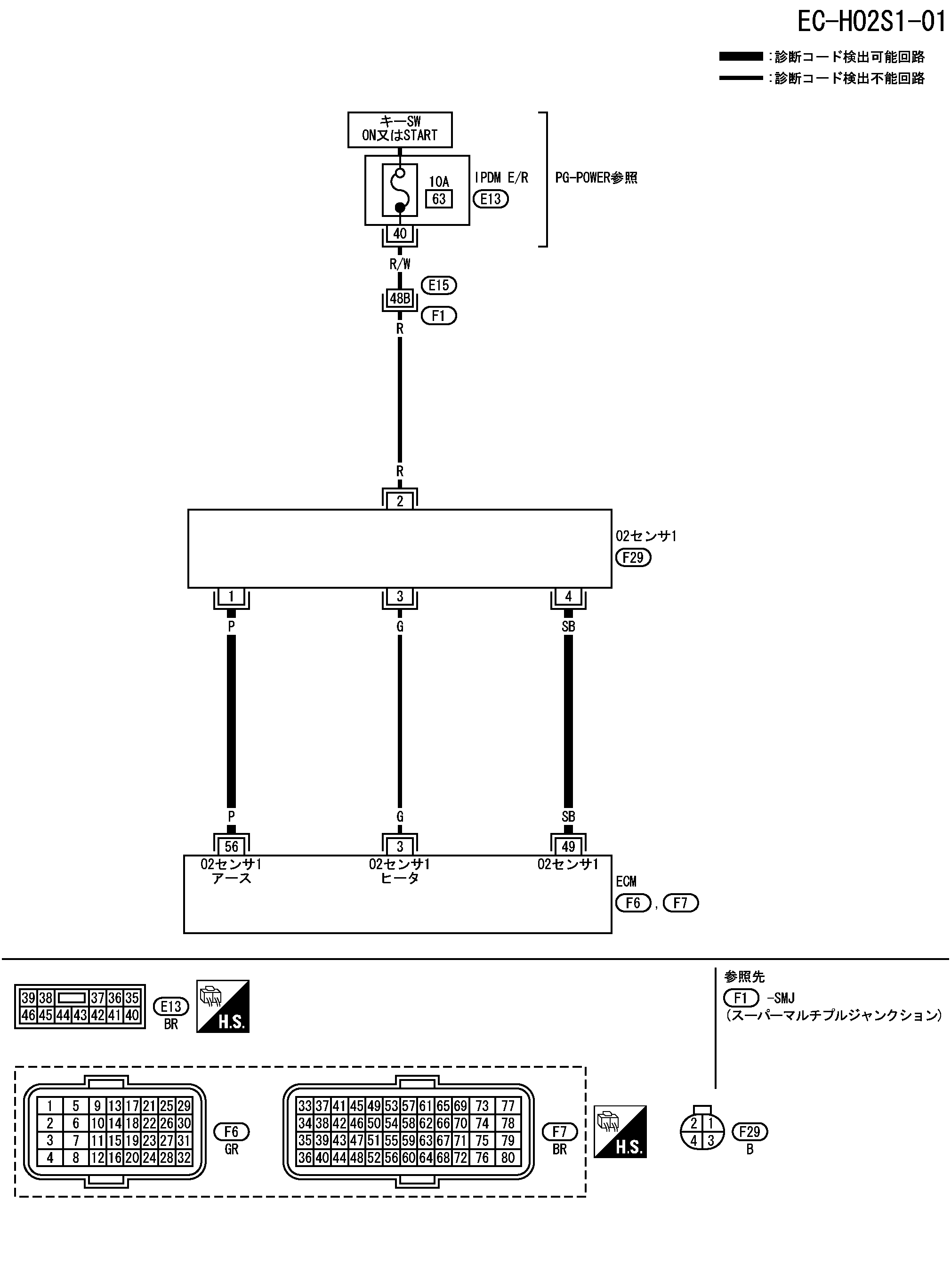
Схема подключения -ho2s1-dtc p0132 датчик o2 1
Схема подключения -ho2s1-dtc p0132 датчик o2 1
配線図 -HO2S1-
📄
Открыть схему TBWB1247J.PDF
Предыдущий: Процедура выполнения самодиагностики dtc p0132 датчик 1 о2
Назад
Следующий: Процедура диагностики неисправности dtc p0132 датчик o2 1
Вперед