ВИЗАТОР
Новости японской автоиндустрии
Главная
Новости
FAQ
Аукционы
Руководства по ремонту
Nissan Wingroad Y12: полное руководство по ремонту и обслуживанию на русском языке
Вы здесь:
Главная
Руководства по ремонту
Nissan Wingroad Y12: полное руководство по ремонту и обслуживанию на русском языке
Двигатель
Система управления двигателем
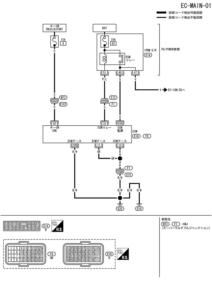
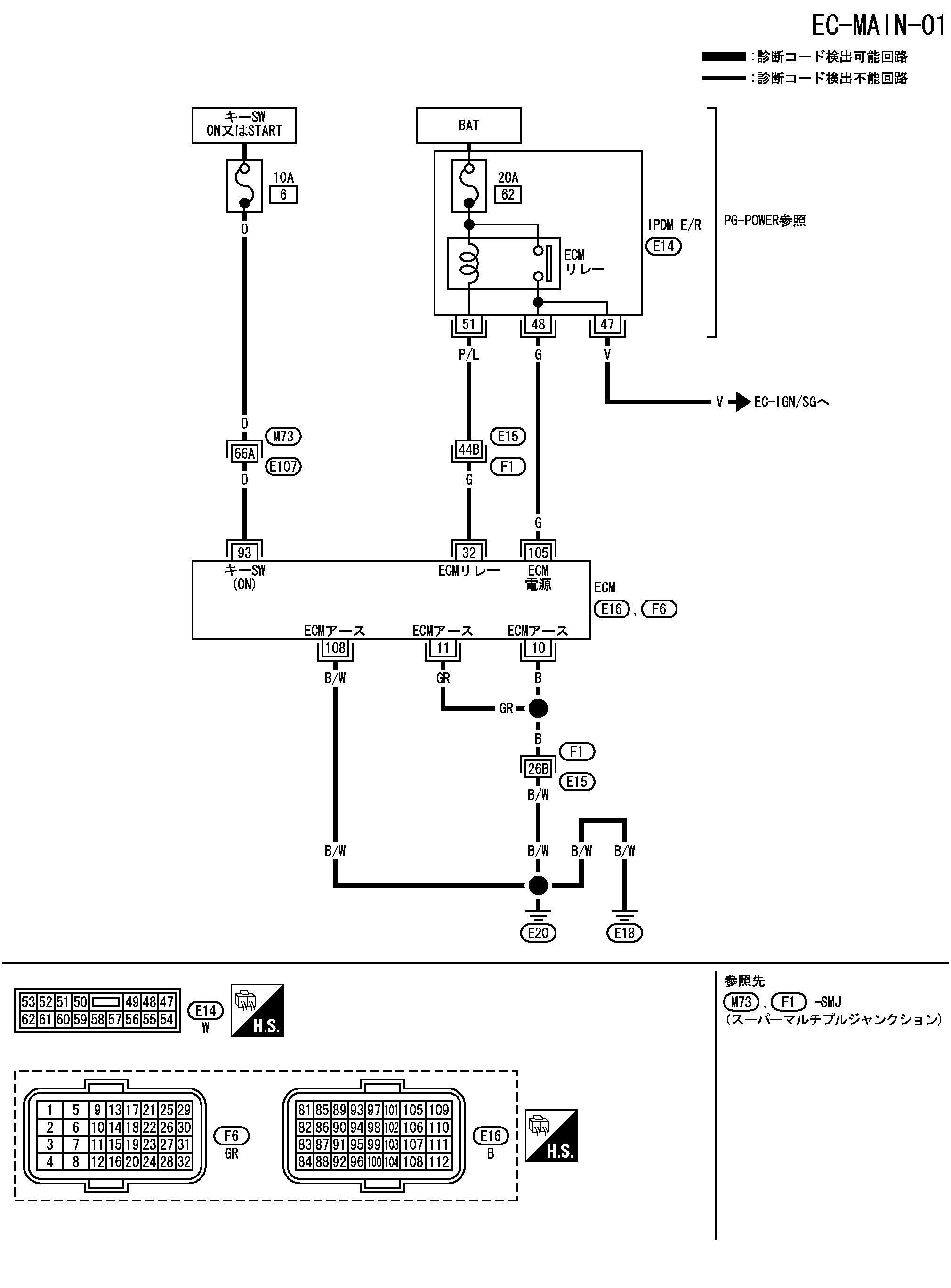
Схема подключения — главная — цепь питания и массы модуля ECM
Схема подключения — главная — цепь питания и массы модуля ECM
配線図 - MAIN -
📄
Открыть схему TBWB1492J.PDF
Предыдущий: Опорное значение входного/выходного сигнала ЭСУД Электропитание ЭСУД и цепь массы
Назад
Следующий: Процедура диагностики неисправностей Цепь питания и массы ECM
Вперед