ВИЗАТОР
Новости японской автоиндустрии
Главная
Новости
FAQ
Аукционы
Руководства по ремонту
Nissan Wingroad Y12: полное руководство по ремонту и обслуживанию на русском языке
Вы здесь:
Главная
Руководства по ремонту
Nissan Wingroad Y12: полное руководство по ремонту и обслуживанию на русском языке
Двигатель
Система управления двигателем
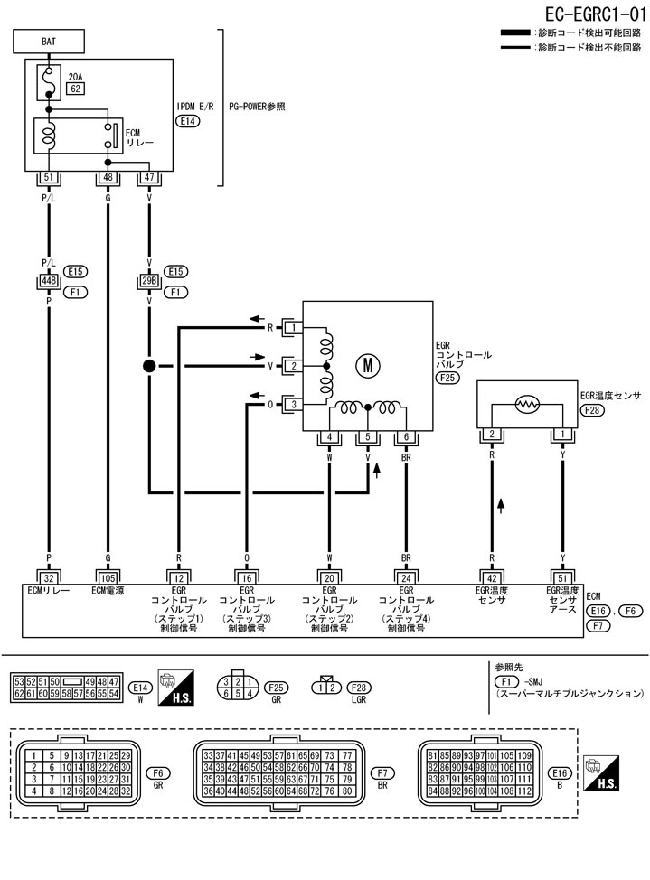
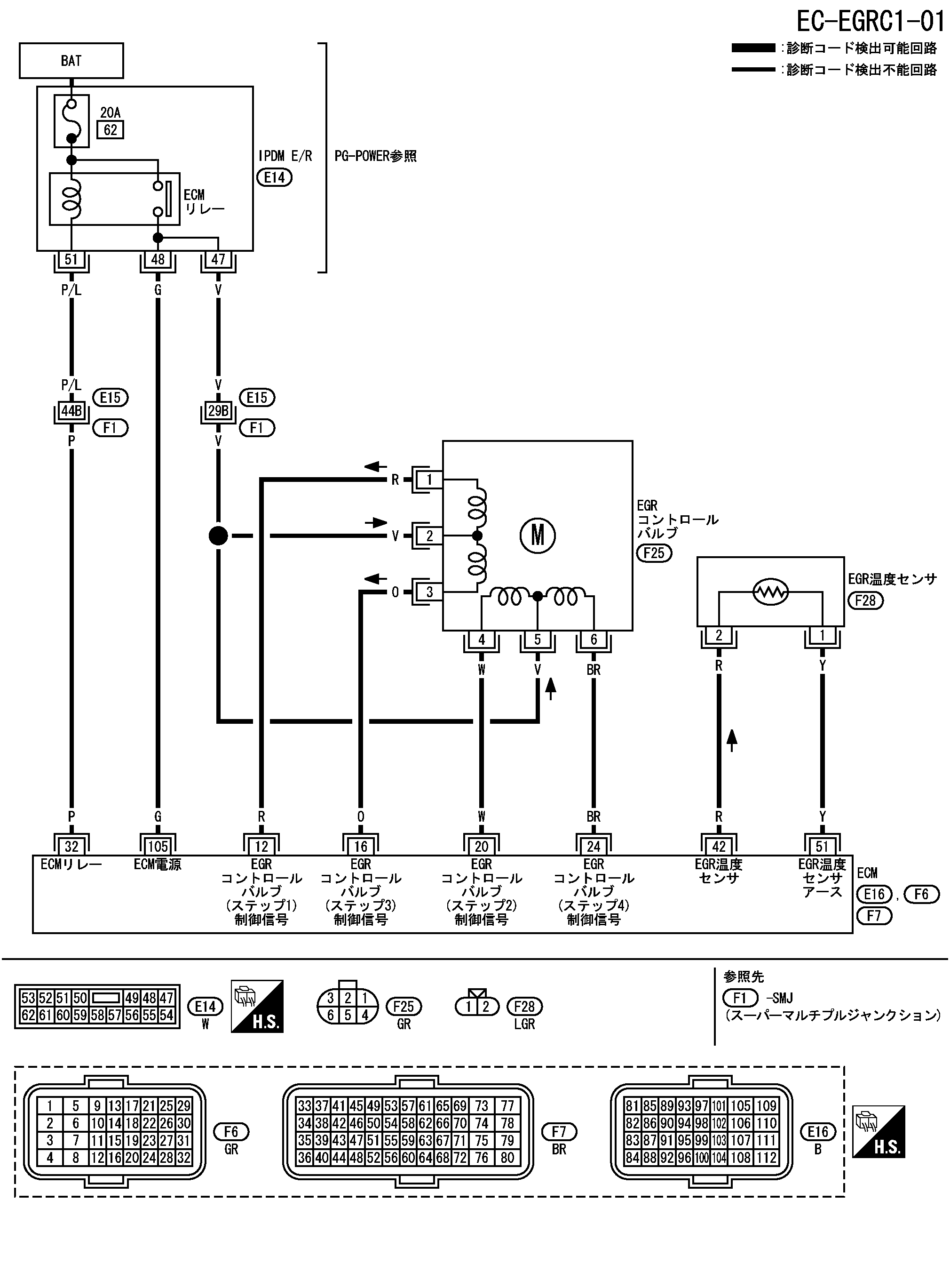
Схема подключения — egrc1 — dtc p1402 системы egr
Схема подключения — egrc1 — dtc p1402 системы egr
配線図 - EGRC1 -
📄
Открыть схему TBWB1258J.PDF
Предыдущий: Процедура выполнения самодиагностики dtc p1402 системы egr
Назад
Следующий: Процедура диагностики неисправности dtc p1402 системы egr
Вперед