ВИЗАТОР
Новости японской автоиндустрии
Главная
Новости
FAQ
Аукционы
Руководства по ремонту
Nissan Wingroad Y12: полное руководство по ремонту и обслуживанию на русском языке
Вы здесь:
Главная
Руководства по ремонту
Nissan Wingroad Y12: полное руководство по ремонту и обслуживанию на русском языке
Двигатель
Система управления двигателем
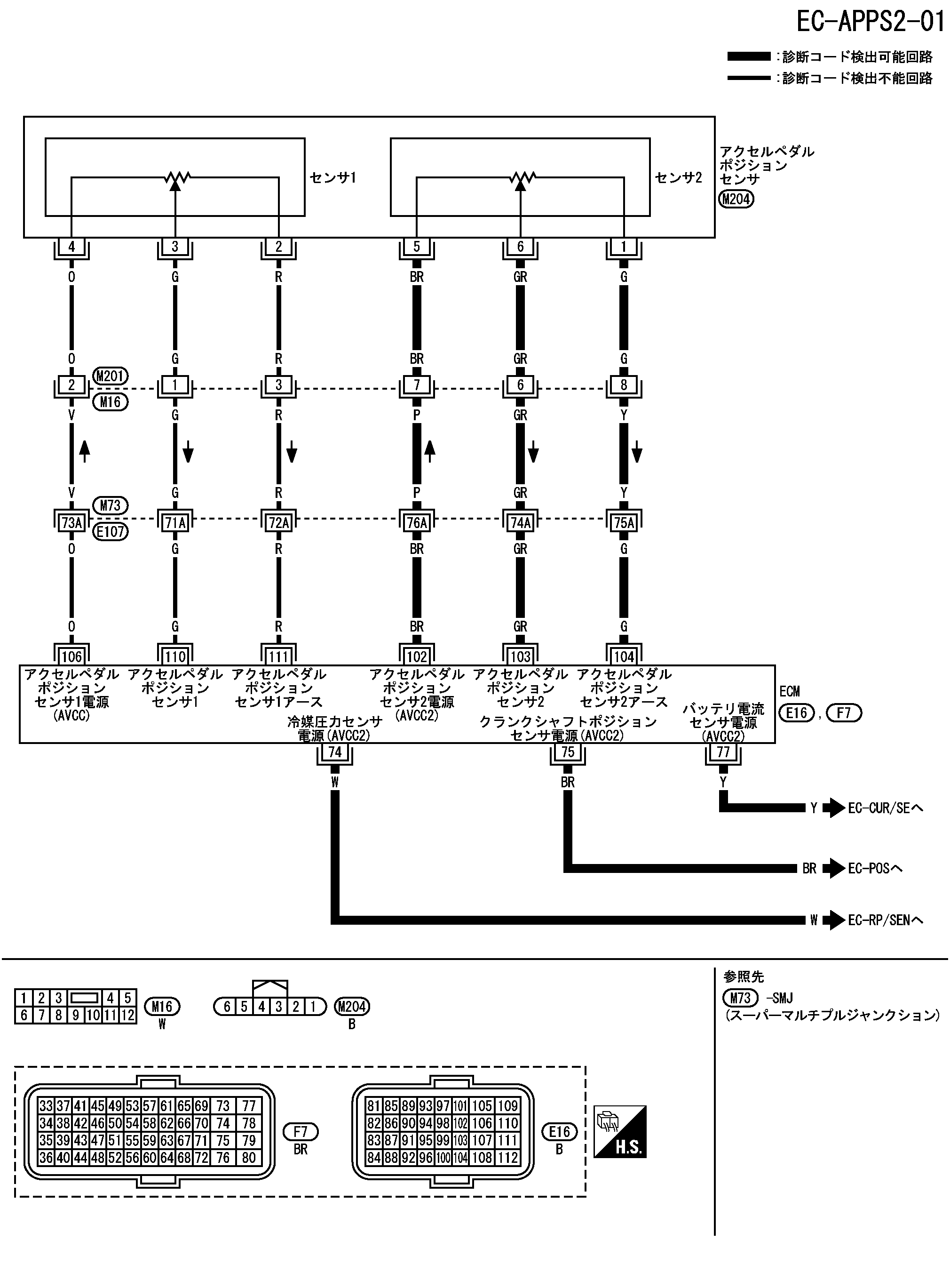
Схема подключения - apps2 - dtc p2127, p2128 датчик положения педали акселератора
Схема подключения - apps2 - dtc p2127, p2128 датчик положения педали акселератора
配線図 - APPS2 -
📄
Открыть схему TBWB1266J.PDF
Предыдущий: Процедура проведения самодиагностики dtc p2127, p2128 датчик положения педали акселератора
Назад
Следующий: Процедура диагностики неисправности dtc p2127, p2128 датчик положения педали акселератора
Вперед