ВИЗАТОР
Новости японской автоиндустрии
Главная
Новости
FAQ
Аукционы
Руководства по ремонту
Nissan Wingroad Y12: полное руководство по ремонту и обслуживанию на русском языке
Вы здесь:
Главная
Руководства по ремонту
Nissan Wingroad Y12: полное руководство по ремонту и обслуживанию на русском языке
Двигатель
Система управления двигателем
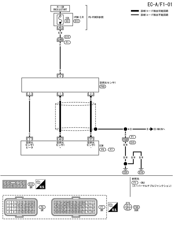
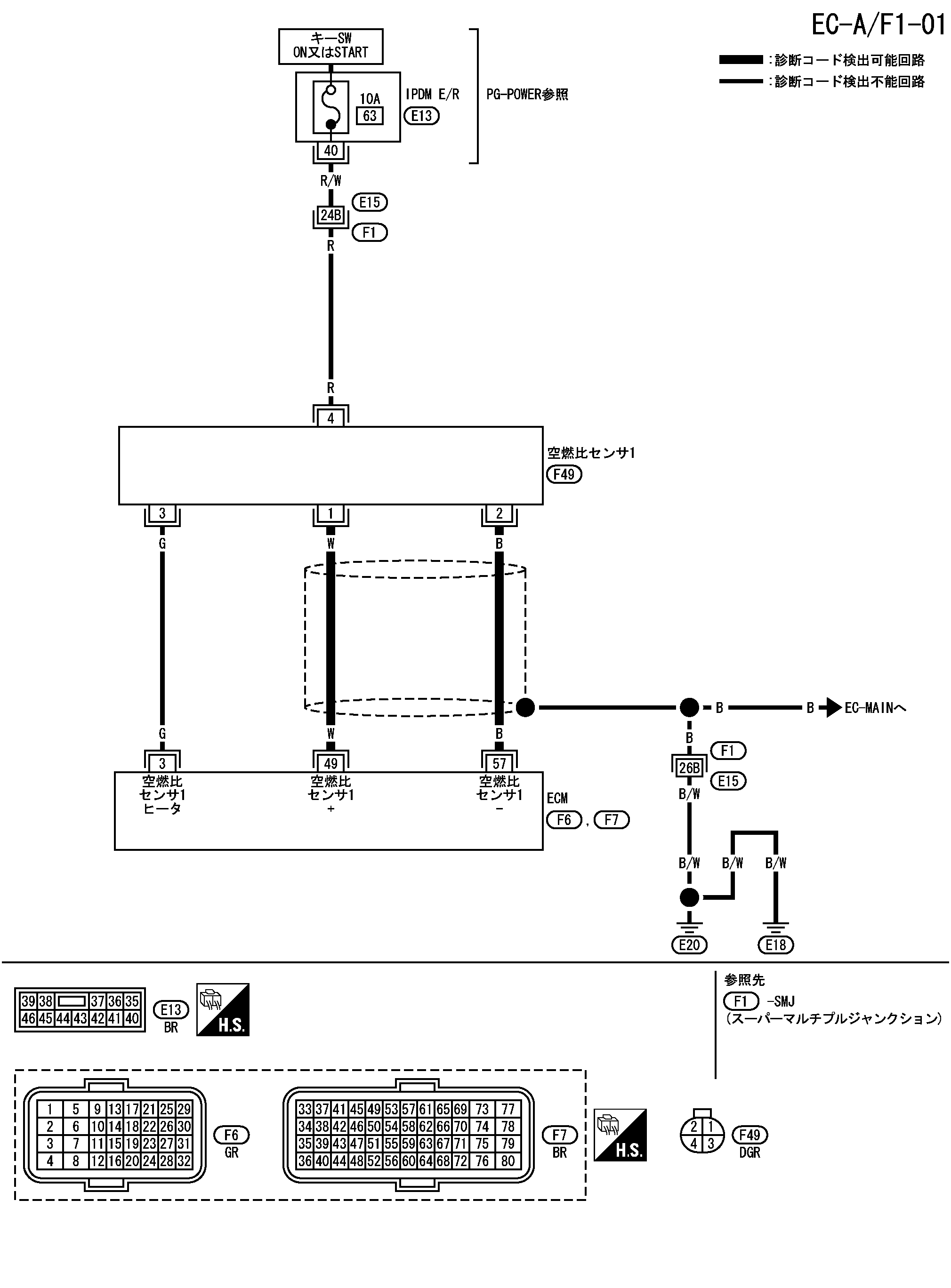
Схема подключения -a/f-dtc p0133 датчик состава топливовоздушной смеси 1
Схема подключения -a/f-dtc p0133 датчик состава топливовоздушной смеси 1
配線図 -A/F-
📄
Открыть схему TBWB1494J.PDF
Предыдущий: Процедура выполнения самодиагностики dtc p0133 Датчик состава топливовоздушной смеси 1
Назад
Следующий: Процедура диагностики неисправности dtc p0133 датчик состава топливовоздушной смеси 1
Вперед