ВИЗАТОР
Новости японской автоиндустрии
Главная
Новости
FAQ
Аукционы
Руководства по ремонту
Nissan Wingroad Y12: полное руководство по ремонту и обслуживанию на русском языке
Вы здесь:
Главная
Руководства по ремонту
Nissan Wingroad Y12: полное руководство по ремонту и обслуживанию на русском языке
Двигатель
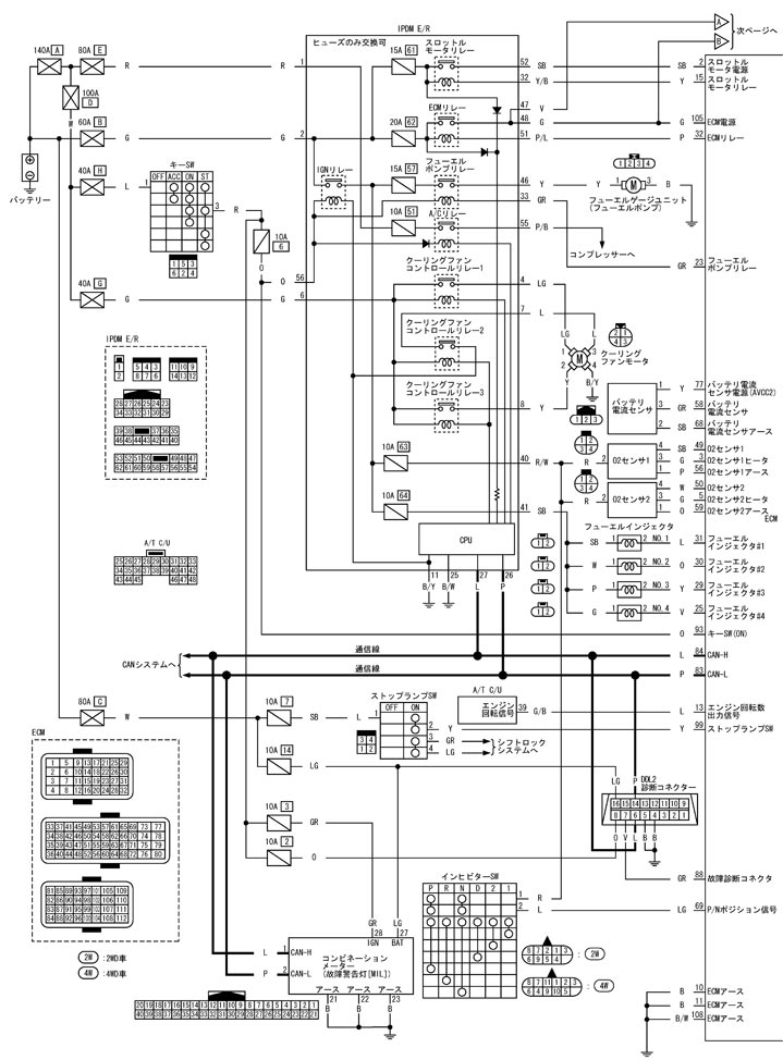
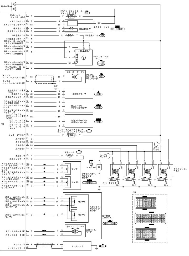
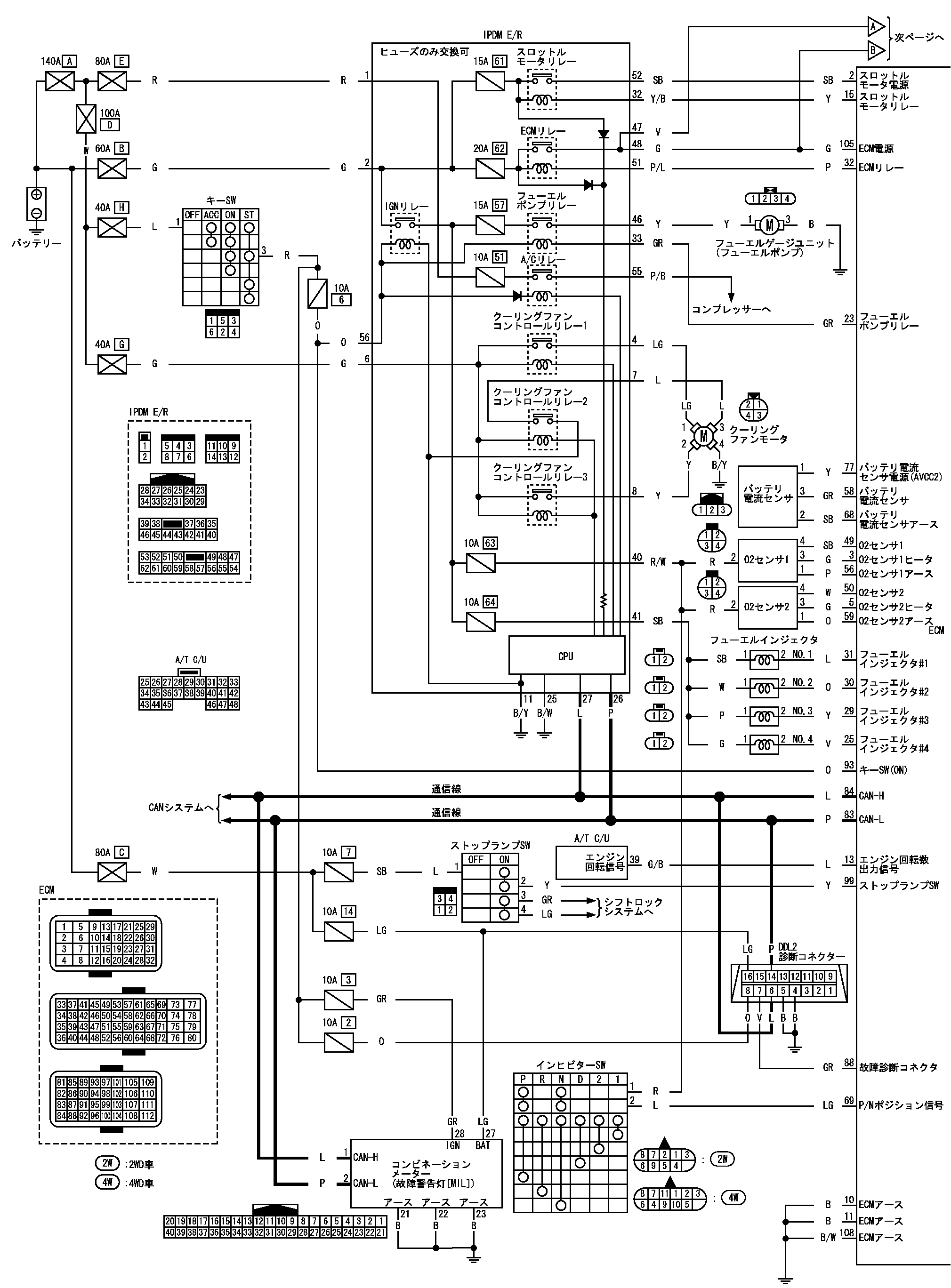
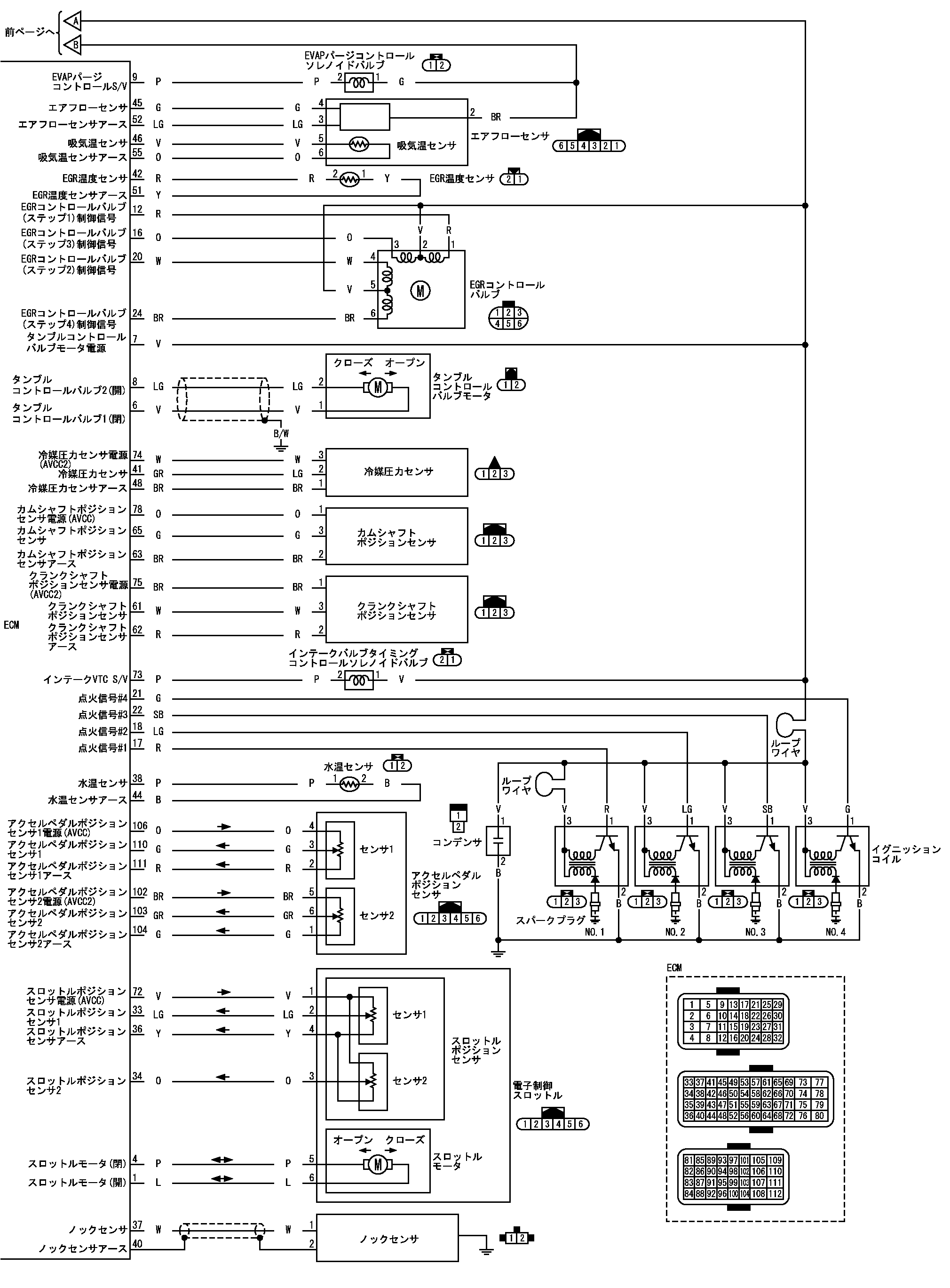
Система управления двигателем
Схема диагностики неисправностей
Схема диагностики неисправностей
принципиальная схема
📄
Открыть схему TBWB1484J.PDF
📄
Открыть схему TBWB1242J.PDF
Предыдущий: Диагностика неисправности монтажного положения компонента
Назад
Следующий: Диагностика неисправности разъема разъема жгута проводов ЭСУД
Вперед