
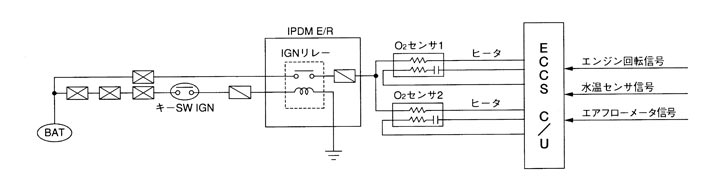
概要
O2
センサ1および2の暖機を促進し、空燃比フィードバック機能の向上を図ります。

システム及び作動
O
2
センサ1ヒータはエンジン回転数約2900rpm以下の時、ヒータに通電します。なお、暖機状態によりデューティ比は異なります。また、エンジン停止時はヒータをOFFとします。
O
2
センサ2ヒータは暖機後再始動し、エンジン回転数3500~4000rpmを1分以上保持し、その後アイドルで1分以上経過後の3200rpm以下のときONにします。キースイッチをOFFにした後に再始動をしても、上記条件が成立しないと通電しません。