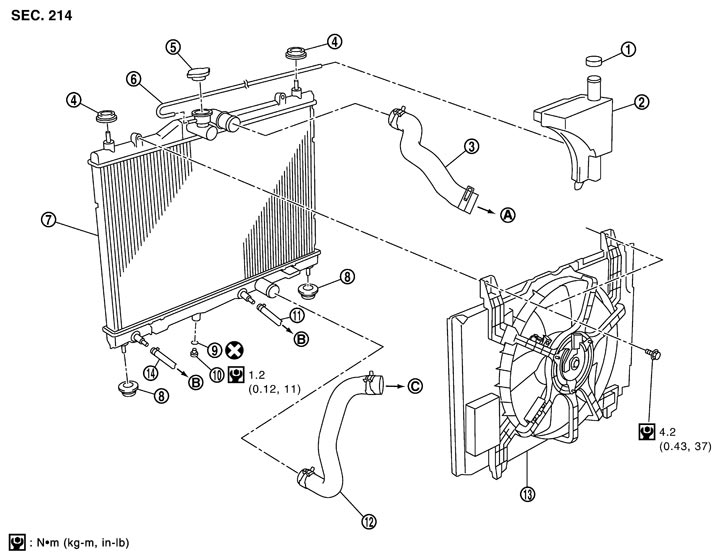
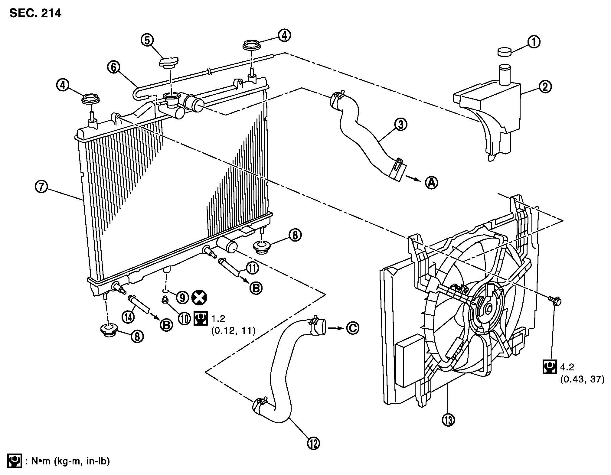
Схема конфигурации
|
1. |
リザーバータンクキャップ |
2. |
リザーバータンク |
3. |
ラジエーターホース(アッパー) |
|
4. |
マウントラバー(アッパー) |
5. |
ラジエーターキャップ |
6. |
リザーバータンクホース |
|
7. |
ラジエーター |
8. |
マウントラバー(ロア) |
9. |
Oリング |
|
10. |
ドレーンプラグ |
11. |
CVTフルードクーラーホース |
12. |
ラジエーターホース(ロア) |
|
13. |
クーリングファンASSY |
14. |
CVTフルードクーラーホース |
|
|
|
A. |
ウオーターアウトレットへ |
B. |
トランスアクスルへ |
C. |
ウオーターインレットへ |
- 構成図内のシンボルマークについては、GI編構成図の見方を参照する。