ВИЗАТОР
Новости японской автоиндустрии
Главная
Новости
FAQ
Аукционы
Руководства по ремонту
Nissan Wingroad Y12: полное руководство по ремонту и обслуживанию на русском языке
Вы здесь:
Главная
Руководства по ремонту
Nissan Wingroad Y12: полное руководство по ремонту и обслуживанию на русском языке
Двигатель
Двигатель механическая часть
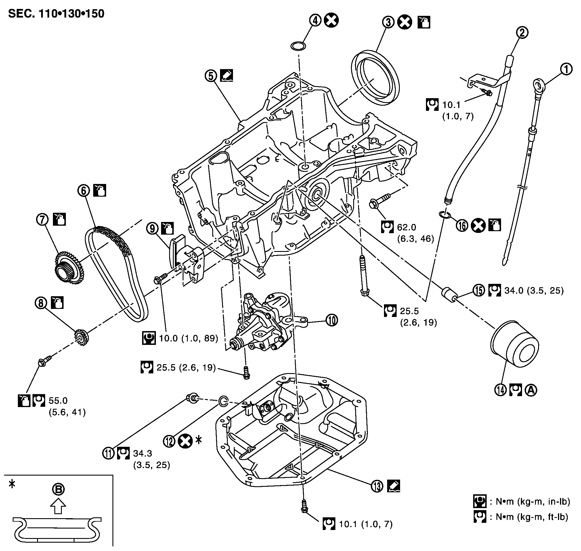
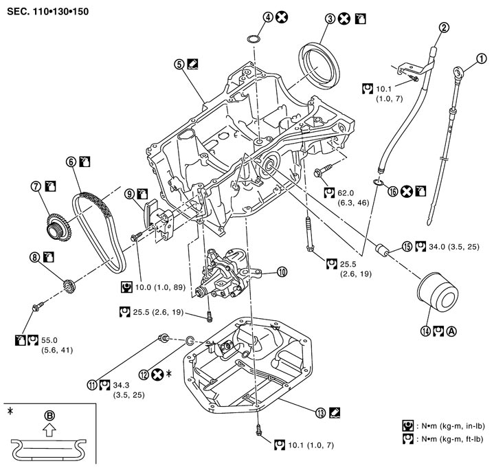
Схема конфигурации масляного поддона
Схема конфигурации масляного поддона
Схема конфигурации
📄
Открыть схему PBIC4463J.PDF
1.
オイルレベルゲージ
2.
オイルレベルゲージガイド
3.
リヤオイルシール
4.
Oリング
5.
オイルパン(アッパー)
6.
オイルポンプドライブチェーン
7.
クランクスプロケット
8.
オイルポンプスプロケット
9.
チェーンテンショナー(オイルポンプ用)
10.
オイルポンプ
11.
オイルパンドレーンプラグ
12.
ワッシャー
13.
オイルパン(ロア)
14.
オイルフィルター
15.
オイルフィルタースタッド
16.
Oリング
A.
オイルフィルター
参照
B.
オイルパン側
構成図内のシンボルマークについては、GI編
構成図の見方
を参照する。
Предыдущий: Осмотр выпускного коллектора
Назад
Следующий: Снятие и установка масляного поддона
Вперед