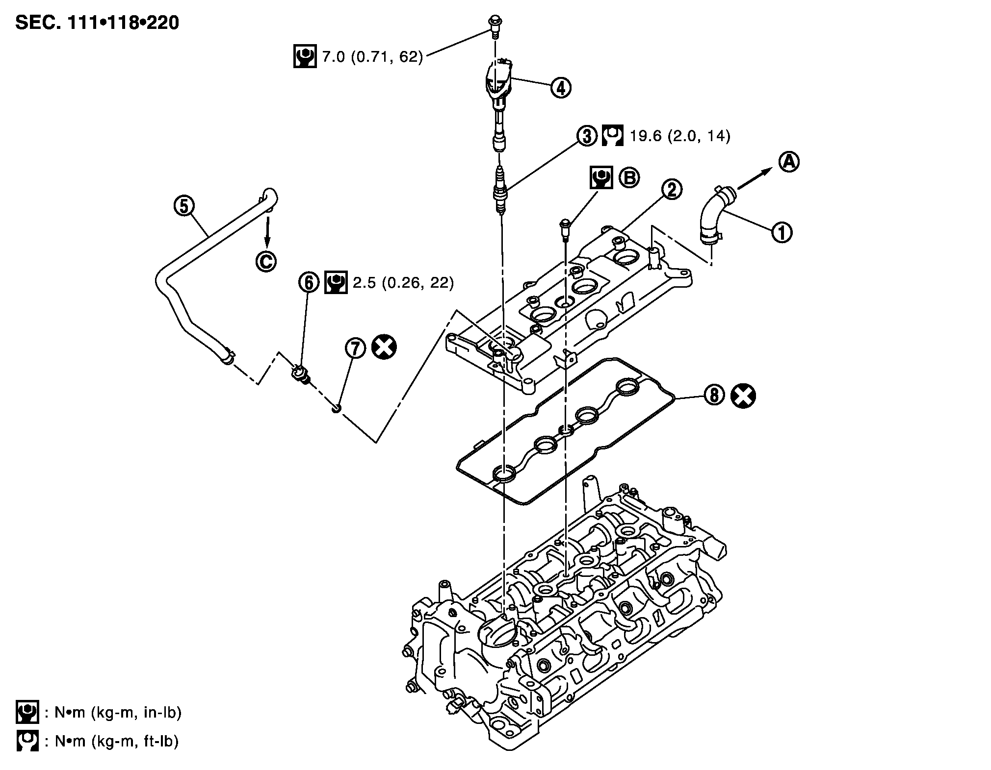
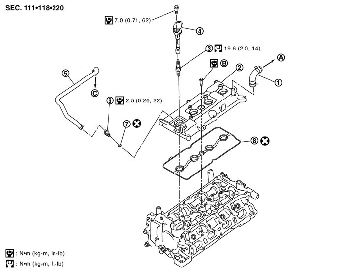
Схема конфигурации
|
1. |
PCVホース |
2. |
ロッカーカバー |
3. |
スパークプラグ |
|
4. |
イグニッションコイル |
5. |
PCVホース |
6. |
ポジティブクランクベンチレーション(PCV)バルブ |
|
7. |
Oリング |
8. |
ロッカーカバーガスケット |
|
|
|
A. |
エアダクト(エアクリーナーケース〜電子制御スロットル間)へ |
B. |
既刊MR ENGINEユニット整備要領書(A260401)参照 |
C. |
インテークマニホールドへ |
- 構成図内のシンボルマークについては、GI編構成図の見方を参照する。